EasyManua.ls Logo

Mazda Mazda6 - Page 475

Mazda Mazda6
909 pages
Print Icon
To Next Page IconTo Next Page
To Next Page IconTo Next Page
To Previous Page IconTo Previous Page
To Previous Page IconTo Previous Page
Loading...
K260
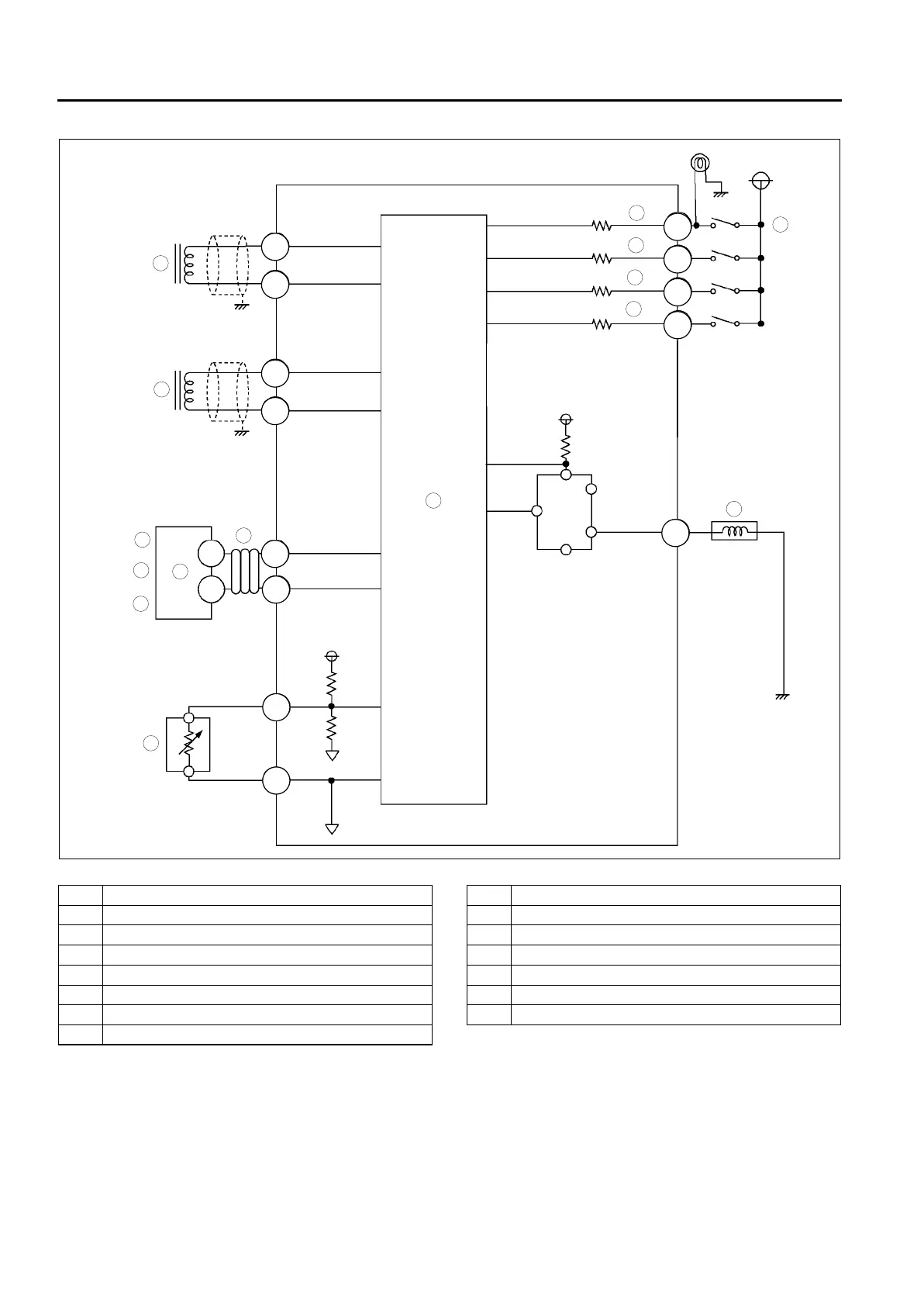
AUTOMATIC TRANSAXLE
Construction (system diagram)
.
1T
1Z
1W
2B
1S
1M
1V
1N
2F
2J
2M
1F
1B
9
8
7
5
4
3
1
2
10
15
14
13
11
12
6
A6E5714W021
1 VSS
2 Input/turbine speed sensor
3 Engine speed signal
4 Throttle position signal
5 TCC signal
6PCM
7CAN
8 TFT sensor
9TCM
10 TR switch
11 TCC solenoid valve
12 R
13 D
14 N
15 P

Table of Contents

Related product manuals