EasyManua.ls Logo

AIXTRON CRIUS II - Page 88

Default Icon
194 pages
Print Icon
To Next Page IconTo Next Page
To Next Page IconTo Next Page
To Previous Page IconTo Previous Page
To Previous Page IconTo Previous Page
Loading...
crius_II_en_00, Edition 06/2010
88 CONFIDENTIAL AIXTRON - Dokumentation
Description System Manual
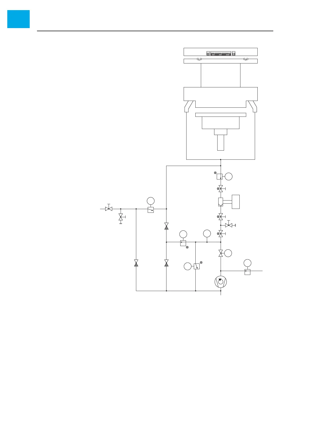
Vacuum system CRIUS II
3
Reactor
Fig. 3-39 Vacuum diagram: Reactor
PV
M
C
F
G
E
PV
B
D
A
PV
PT
PV
PV
K
H
I
J
A Reactor
B Reactor isolation valve
C Exhaust filter device with cooling trap
D Throttle valve for controlling the reactor
pressure
E MO vacuum (for changing the MO bubbler)
F Process pump
G Exhaust (to scrubber)
H Pump bypass valve
I Vent bypass valve
J Vent/Vac valve
K Vent gas

Table of Contents