EasyManua.ls Logo

Lenze 8400 - Page 234

Lenze 8400
1590 pages
Print Icon
To Next Page IconTo Next Page
To Next Page IconTo Next Page
To Previous Page IconTo Previous Page
To Previous Page IconTo Previous Page
Loading...
5 Motor control (MCTRL)
5.9 Servo control (SC)
234
Lenze · 8400 HighLine · Reference manual · DMS 12.0 EN · 06/2017 · TD23
_ _ _ _ _ _ _ _ _ _ _ _ _ _ _ _ _ _ _ _ _ _ _ _ _ _ _ _ _ _ _ _ _ _ _ _ _ _ _ _ _ _ _ _ _ _ _ _ _ _ _ _ _ _ _ _ _ _ _ _ _ _ _ _
Parameters Info Parameters Info Parameters Info
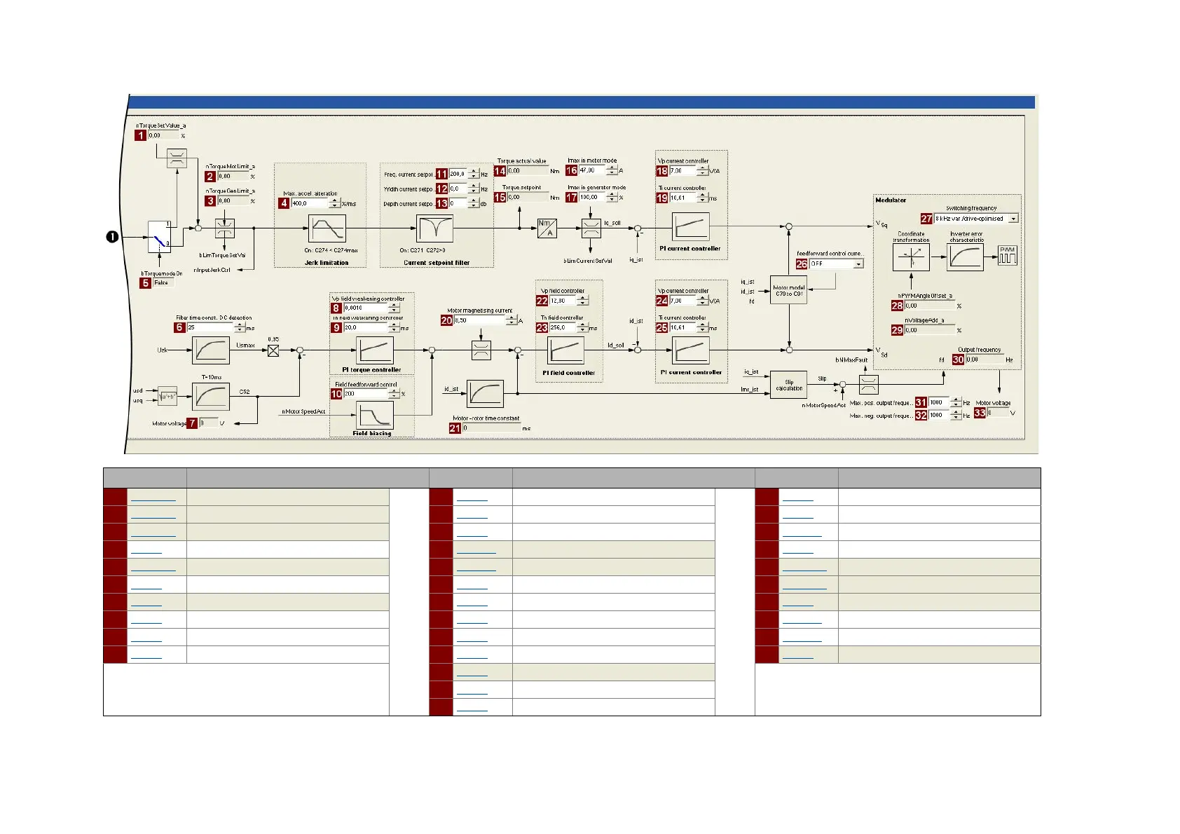
1 C00830/27 MCTRL: nTorqueSetValue_a 11 C00270 SC: Freq. current setpoint filter 24 C00075 Vp current controller
2 C00830/29 Limitation of torque in motor mode 12 C00271 SC: Current setpoint filter width 25 C00076 Ti current controller
3 C00830/28 Limitation of torque in generator mode 13 C00272 SC: Current setpoint filter depth 26 C00079/1 SC: Current controller - feedforward control
4 C00274 SC: Max. change in acceleration 14 C00056/2 Actual torque value 27 C00018 Switching frequency
5 C00833/30 MCTRL: bTorqueModeOn 15 C00056/1 Torque demand 28 C00830/32 MCTRL: nPWMAngleOffset_a
6 C00280 SC: Filter time const. DC detection 16 C00022 Imax in motor mode 29 C00830/31 MCTRL: nVoltageAdd_a
7 C00052 Motor voltage 17 C00023 Imax in generator mode 30 C00058 Output frequency
8 C00577 SC: Vp field weakening controller 18 C00075 Vp current controller 31 C00910/1 Max. pos. output frequency
9 C00578 SC: Tn field weakening controller 19 C00076 Ti current controller 32 C00910/2 Max. neg. output frequency
10 C00576 SC: Field feedforward control 20 C00095 Motor magnetising current 33 C00052 Motor voltage
21 C00083 Motor rotor time constant
22 C00077 SC: Vp field controller
23 C00078 SC: Tn field controller

Table of Contents

Other manuals for Lenze 8400

Related product manuals