EasyManua.ls Logo

Panasonic Micro-Imagechecker PV310 - Remote Switching Signal

Panasonic Micro-Imagechecker PV310
363 pages
Print Icon
To Next Page IconTo Next Page
To Next Page IconTo Next Page
To Previous Page IconTo Previous Page
To Previous Page IconTo Previous Page
Loading...
324
Camera Switchin
g
Unit
Cha
p
ter 16
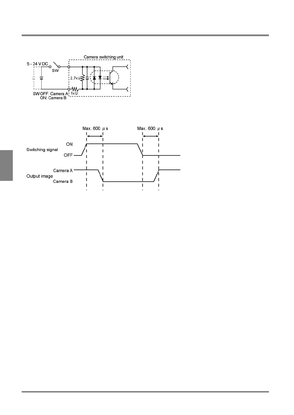
16.3 Remote Switching Signal
Input Circuit
Timing of Switch
The time required for switching the cameras (output images) after camera switching signal turned on is maximum
600 s. If you input start signal before switching between the cameras, the switched camera may not capture the
image properly.

Table of Contents

Related product manuals