EasyManua.ls Logo

AIXTRON CRIUS II - Page 94

Default Icon
194 pages
Print Icon
To Next Page IconTo Next Page
To Next Page IconTo Next Page
To Previous Page IconTo Previous Page
To Previous Page IconTo Previous Page
Loading...
crius_II_en_00, Edition 06/2010
94 CONFIDENTIAL AIXTRON - Dokumentation
Description System Manual
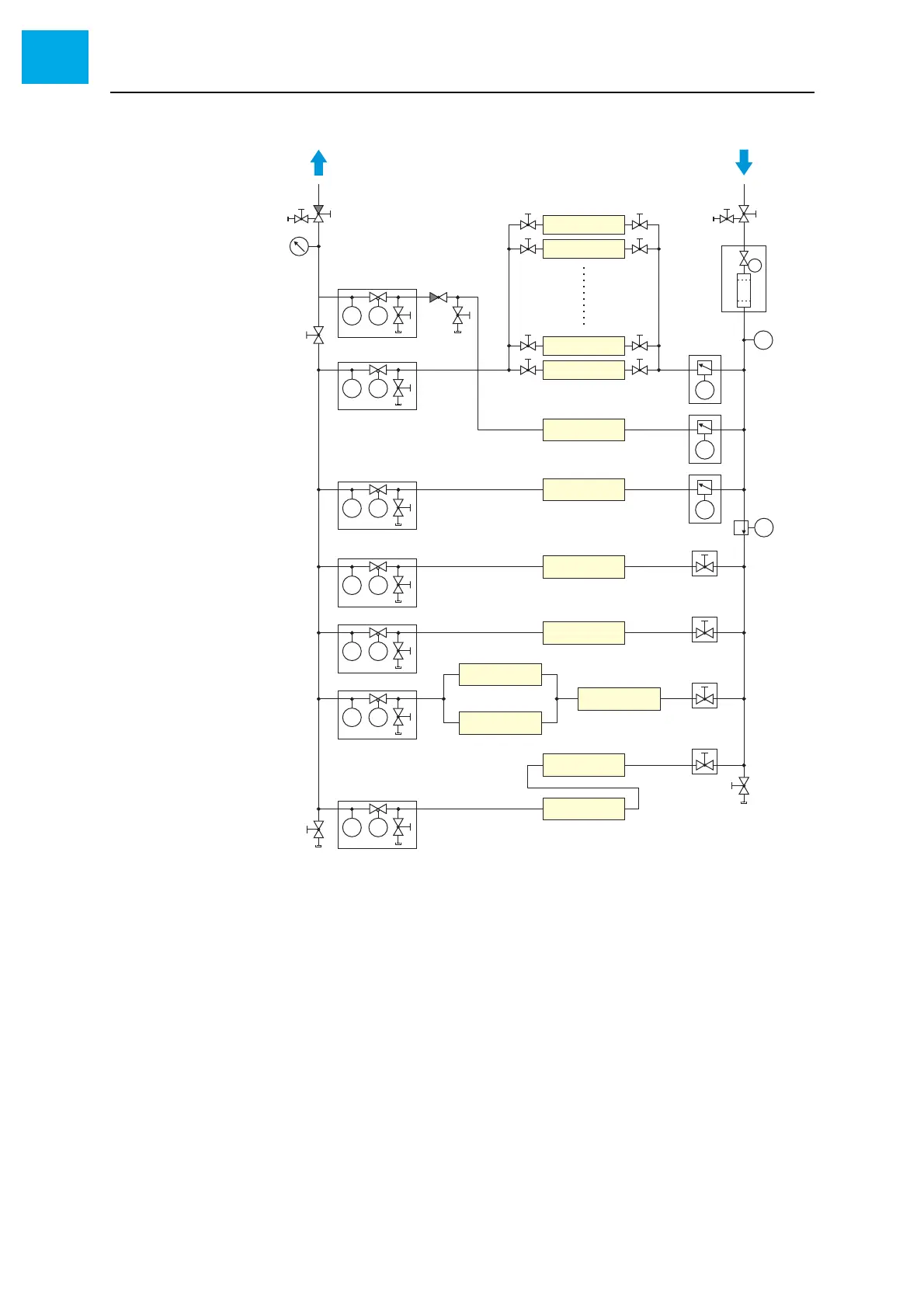
Media supply CRIUS II
3
Circuit 1
(without aluminum)
Fig. 3-46 Water diagram: Circuit 1
PV
PV
PV
TT
D
C
B
B
B
B
AK
TT
DFS
TT
DFS
TT
DFS
E
TT
DFS
PV
E
TT
DFS
H
TT
DFS
TT
DFS
I
PI
F
G
J
AInlet
B Thermostat bath 1x
C Process pump
D Glove box
E Power cables
F Exhaust tube 1
G Exhaust tube 2
H Bus bar
I Reactor base
J Reactor chamber
KOutlet

Table of Contents