EasyManua.ls Logo

KLM MD-11 - Functional Schematic

KLM MD-11
888 pages
Print Icon
To Next Page IconTo Next Page
To Next Page IconTo Next Page
To Previous Page IconTo Previous Page
To Previous Page IconTo Previous Page
Loading...
MD-11 Flight Crew Operations Manual
k
Air Chapter Air
Functional Schematic Section 50
Air.50.1
Air.50 Air-Functional Schematic
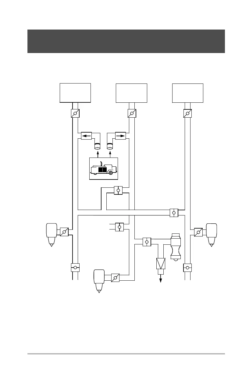
Air System Block Diagram
AIR
CONDITIONING
PACK 1
PACK 1
FLOW CONTROL
VALVE
GROUND
PNEUMATIC
CONNECTORS
ISOLATION
VALVE 1-2
ISOLATION
VALVE 1-3
ENGINE 1
BLEED AIR
VALVE
LEFT WING
SHUT-OFF
VALVE
LEFT WING
ANTI-ICING
HORIZONTAL
STABILIZER
ANTI-ICE
HORIZ
STAB
ANTI-ICE
SHUT-OFF
VALVE
BLEED AIR
VALVE
APU
VALVE
APU
APU
SURGE
RELIEF
VALVE
RIGHT WING
ANTI-ICING
RIGHT WING
SHUT-OFF
VALVE
1
2
3
FLOW CONTROL
VALVE
BLEED AIR
VALVE
PACK 2
ENGINE 2
ENGINE 3
OVERBOARD
PACK 3
FLOW CONTROL
VALVE
AIR
CONDITIONING
PACK 2
AIR
CONDITIONING
PACK 3
LOAD
BLEED
ANTI-ICE
ANTI-ICE
DB1-2-1657A
October 02, 2006

Table of Contents