EasyManua.ls Logo

KLM MD-11 - Functional Schematic; System Diagram

KLM MD-11
888 pages
Print Icon
To Next Page IconTo Next Page
To Next Page IconTo Next Page
To Previous Page IconTo Previous Page
To Previous Page IconTo Previous Page
Loading...
MD-11 Flight Crew Operations Manual
k
Electrical Chapter Elec
Functional Schematic Section 50
Elec.50.1
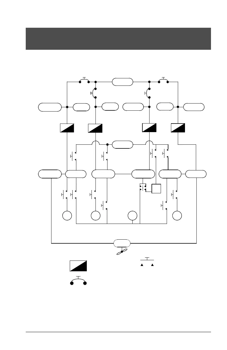
Elec.50 Electrical-Functional Schematic
System Diagram
IDG
1
IDG
2
IDG
3
INTEGRATED
TR-1
TR-2A TR-2B
TR-3
R EMER AC BUS
APU
GEN
MAIN
EXT
PWR
ADG BUS
RELAY
TRANSFORMER
RECTIFIER
L EMER DC BUS
DC BUS 1
L EMER AC BUS
AC GENBUS 1
AC TIE BUS
AC GENBUS 2
AC GENBUS 3
R EMER DC BUS
AC GEN GND
SERVICE BUS
DC BUS 2
DC GND
SERVICE BUS
DRIVE GENERATOR
DC BUS 3
IDG
CIRCUIT BREAKER
REMOTE CONTROL
DC TIE BUS
DB1-2-1753A
October 02, 2006

Table of Contents