EasyManua.ls Logo

KLM MD-11 - Horizontal Stabilizer System

KLM MD-11
888 pages
Print Icon
To Next Page IconTo Next Page
To Next Page IconTo Next Page
To Previous Page IconTo Previous Page
To Previous Page IconTo Previous Page
Loading...
MD-11 Flight Crew Operations Manual
k
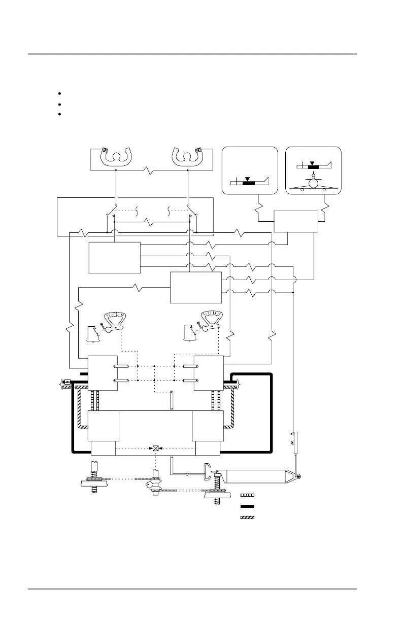
Flight Controls -
Functional Schematic
Flt.50.4
Horizontal Stabilizer System
DB1-2-1732
Trim switches operate as follows:
If auto trim active, no stabilizer control.
If in AP cruise, the AP disconnects.
If in AUTOLAND, there is no effect.
STABILIZER
DRIVE
GEARBOX
DIFFERENTIAL FUSE DRIVE UNIT
ACTIVE
A/P-1
INTLK
A/P-2
INTLK
POWER FROM
HYD SYS-2
CONTROL
VALVE-2
CONTROL
VALVE-1
MOTOR-2
(2 SPEED)
MOTOR-1
(2 SPEED)
HORIZ STAB
POSITION
TRANSMITTER
CONFIGURATION
FCC-1
FCC-2
L HANDLE
R HANDLE
HYD SYS-3
BRAKE
STRUCTURE
CHAIN DRIVE
16°LIMIT
HORIZONTAL STABILIZER
STRUCTURE
BRAKE
AUTO TRIM
SECONDARY
ENGINE PAGE
(HANDLES MUST
OPERATE TOGETHER)
DEUS
1-2-3
HYD
SYS-1
HYD CONTROL
HYD PRESSURE
HYD RETURN
STAB 6.1 ANU
STAB
6.1
ANU
1.5°LIMIT
HORIZ STABILIZER
TRIM JUNCTION
BOX
MECHANICAL
CONTROL
SYSTEMS
DISPLAY
SYSTEMS
DISPLAY
CAPT'S TRIM
SWITCHES
F/O'S TRIM
SWITCHES
October 02, 2006

Table of Contents