EasyManua.ls Logo

KLM MD-11 - IRS System

KLM MD-11
888 pages
Print Icon
To Next Page IconTo Next Page
To Next Page IconTo Next Page
To Previous Page IconTo Previous Page
To Previous Page IconTo Previous Page
Loading...
MD-11 Flight Crew Operations Manual
k
Instrumentation and Navigation -
Components
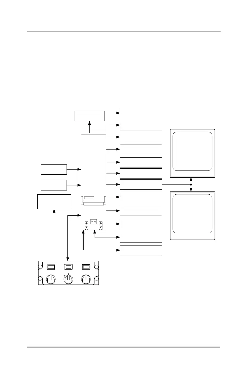
Inst.20.5
IRS System
DB1-2-1827
NAV
OFF
NAV
OFF
NAV
OFF
MODULAR
BLOCK
AIR DATA
COMPUTER
MISCELLANEOUS
SYSTEM
CONTROLLER
NAV
OFF
1
AUX
2
I
R
S
YAW DAMPER
AUTO BRAKE UNIT
ANTI-SKID UNIT
WEATHER RADAR
GROUND PROXIMITY
DIGITAL FLIGHT DATA
ACQUISITION UNIT
DISPLAY ELECTRONIC
UNIT
MULTIFUNCTION
CONTROL DISPLAY UNIT
INERTIAL AURAL
WARNING LOGIC UNIT
FLIGHT CONTROL
COMPUTER
CENTRALIZED FAULT
DISPLAY SYSTEM
FLIGHT MANAGEMENT
COMPUTER UNIT
INERTIAL
REFERENCE
UNIT
PRIMARY
FLIGHT
DISPLAY
NAVIGATION
DISPLAY
AUTO THROTTLE
AUTO FLT SYS
NAV
NAV
OFFOFF
WARNING UNIT
October 02, 2006

Table of Contents