EasyManua.ls Logo

KLM MD-11 - Electronic Instrument System Components

KLM MD-11
888 pages
Print Icon
To Next Page IconTo Next Page
To Next Page IconTo Next Page
To Previous Page IconTo Previous Page
To Previous Page IconTo Previous Page
Loading...
MD-11 Flight Crew Operations Manual
k
Aircraft General -
Description and Operation
Agen.10.24
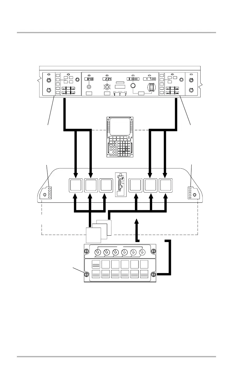
Electronic Instrument System Components
DB1-2-1847
DB1-2-1847
PFD
ND
EAD
SD
1
2
AUX
OFF
ENG
HYD
ELEC
AIR
FUEL
MISC
STATUS
CONSEQ
CONFIG
SD OPTION
PFD
ND
DEU
1
2
3
4
56
ND
SYSTEM
DISPLAY
CONTROL
PANEL
(SDCP)
CONTROL PANEL
(ECP)
SOURCE INPUT
SELECT PANEL (SISP)
DU1
DU2
DU3
DU4
DU5
DU6
(FCP)
FLIGHT CONTROL PANEL
BRT
MCDU
DEU
DEU
SOURCE INPUT
SELECT PANEL (SISP)
CONTROL PANEL
(ECP)
EIS EIS
October 02, 2006

Table of Contents