EasyManua.ls Logo

KLM MD-11 - Pneumatic Supply

KLM MD-11
888 pages
Print Icon
To Next Page IconTo Next Page
To Next Page IconTo Next Page
To Previous Page IconTo Previous Page
To Previous Page IconTo Previous Page
Loading...
MD-11 Flight Crew Operations Manual
k
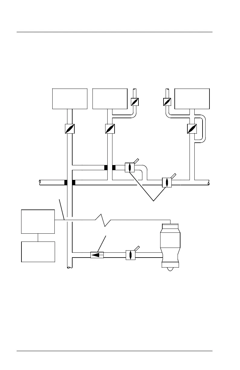
APU -
Functional Schematic
APU.50.2
Pneumatic Supply
CAG(IGDS)
TRIM
AIR
PRESSURE
REG
VALVE
PACK 3
FLOW
CONTROL
VALVE
FLOW
CONTROL
VALVE
PACK 1
AIR
CONDITIONING
PACK 3
AIR
CONDITIONING
PACK 1
AIR
CONDITIONING
PACK 2
FLOW
CONTROL
VALVE
PACK 2
ISOLATION
VALVES
ENGINE 1
ENGINE 2
ENGINE 3
APU
AIR
CONDITIONING
CONTROLLERS
CHECK VALVE
N1 SPEED
COMMAND
SIGNAL
APU
ELECTRONIC
CONTROL
UNIT
APU LOAD
BLEED VALVE
LB1-3-0010A
October 02, 2006

Table of Contents