EasyManua.ls Logo

Navistar INTERNATIONAL DT 466 - High-Pressure Oil System

Navistar INTERNATIONAL DT 466
520 pages
Print Icon
To Next Page IconTo Next Page
To Next Page IconTo Next Page
To Previous Page IconTo Previous Page
To Previous Page IconTo Previous Page
Loading...
338 FUEL SYSTEM
High-pressure Hose Assembly
The high-pressure hose assembly was modied as a
production running change from (high-pressure hose
generation 1 to high-pressure Hose with 70 and 90
Degree Elbows generation 2).
See removal and installation procedures for
(High-pressure Hose Generation 1 and
High-pressure Hose with 70 and 90 Degree
Elbows Generation 2), listed in the Table of
Contents in this section.
High-pressure Oil System
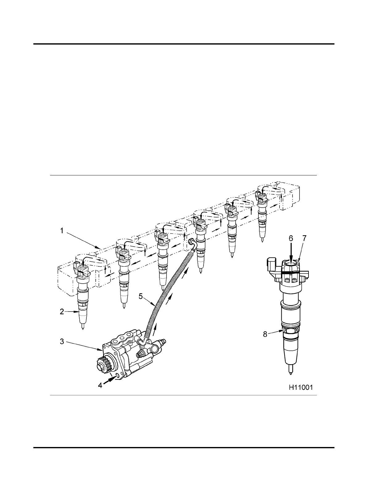
Figure 521 High-pressure oil system
1. High-pressure oil manifold
2. Fuel injector assembly (6)
3. High-pressure pump assembly
4. Oil inlet from front cover reservoir
5. High-pressure hose
6. Oil inlet from high-pressure oil
manifold
7. Oil outlet (2)
8. Fuel inlet port (4)
EGES-265-2
Read all safety instructions in the "Safety Information" section of this manual before doing any procedures.
Follow all warnings, cautions, and notes.
© 2009 Navistar, Inc.

Table of Contents

Other manuals for Navistar INTERNATIONAL DT 466

Related product manuals