EasyManua.ls Logo

Weiler E2850 - Electrical Schematic - S;N 1122-1140

Weiler E2850
268 pages
Print Icon
To Next Page IconTo Next Page
To Next Page IconTo Next Page
To Previous Page IconTo Previous Page
To Previous Page IconTo Previous Page
Loading...
Schematics
C
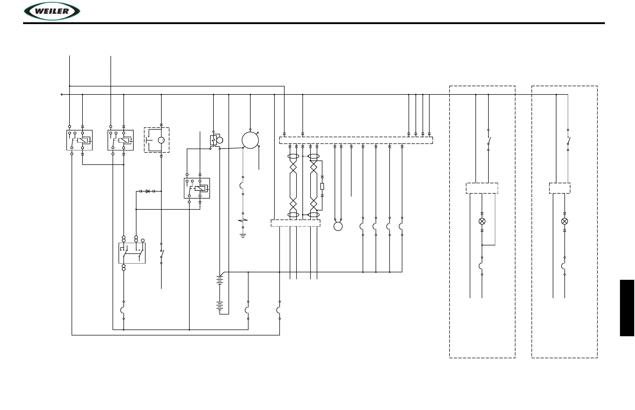
WEILER E2850 REMIXING TRANSFER VEHICLE
C-21
Schematics
ELECTRICAL SCHEMATIC – S/N 1122–1140
R
G
OUT
S
20-OR w/WH
140-WH
20-OR w/WH
140-WH
89-PU
8-RD
TO ENGINE ECU CB-10A
TO RELAY
TO RELAY
TO ENGINE ECU CB-10A
8-RD
142-RD
141-YL
8-RD
142-RD
98-RD
99-RD
97-RD
141-YL
65
69
55
53
63
61
52
9-GY
1-RD
1-RD
B
10-WH
RED
RED
G
F
E
D
C
A
96-RD
YL
GN
YL
GN
0-BK
93-PU w/OR
94-YL w/GN
AB
7-RD
5-RD w/WH
96-RD
6-RD
3-RD
13-PK
20-OR wWH
4-WH
44
3
16
50
34
48
42
9
8
70
GROUND
2-RD w/BK
TO PAGE 7
TO PAGE 2
PAGE 1
2-BR
2-BR
3-BK
GREASER
GREASER
GREEN 25241
10A 6180
GREASER
GREASER
WIRE HARNESS
4-YL
1-BK
3-WH
ENGINE ECU
10A 6180
10A 6180
ENGINE ECU
ENGINE ECU
10A 6180
E2850-500 AUTOMATIC GREASER w/MICRO PROCESSOR (Lincoln #223)
E2850-501 AUTOMATIC GREASER w/DATA LOGGER (Lincoln #233 MDF01)
GREEN 25241
GREASER
10A 6180
GREASER
WIRE HARNESS
1-RD
4-WH
5-YL
TO BOTH MICRO PIN C1P4, DISPLAY
PIN C1P3 & PRODUCT LINK (OPT)
TO BOTH MICRO PIN C1P3, DISPLAY
PIN C1P3 & PRODUCT LINK (OPT)
100A 9012
LOC-ENGINE
50A 6186
LOC-ENGINE
SYSTEM
TO ENG ECU CB-10A
SYSTEM
BATTERY
KEY SWITCH
5A 6159
LOC-DASH
TO PRODUCT LINK (OPT)
TO PRODUCT LINK (OPT)
8159, 80A, 24V
MAIN POWER
LOC-ENG
MAIN POWER
STARTER
FUEL PUMP
DC MOTOR
8159, 80A, 24V
LOC-DASH
ALTERNATOR
J66 SERVICE TOOL
GLOW PLUGS
130A
HYD TANK TEMPERATURE
SENDER (w/ENG)(C1457028)
TO ENGINE STOP SWITCHES
10A 6180
ENGINE ECU
10990
BATTERY
++
8159, 80A, 24V
LOC-ENGINE
86
85
TO PRODUCT LINK (OPT)
100A 9012
LOC-ENGINE
GLOW PLUGS
TERMINATING
10A (C9G7641)
COMES w/ENGINE
S
R
START/ON/OFF
B
C
30
30
86
6548
DIODE
21
87a
STARTER
30
87
86
TO DISPLAY C1P12
57A
M
ECU
78A
87
87a
85
3.5A
M
85
87
87a
1
6132
2
1
6132
2

Table of Contents

Related product manuals