EasyManua.ls Logo

Weiler E2850 - Electrical Schematic - S;N 1144-1149 (Includes Australia Machine

Weiler E2850
268 pages
Print Icon
To Next Page IconTo Next Page
To Next Page IconTo Next Page
To Previous Page IconTo Previous Page
To Previous Page IconTo Previous Page
Loading...
Schematics
C
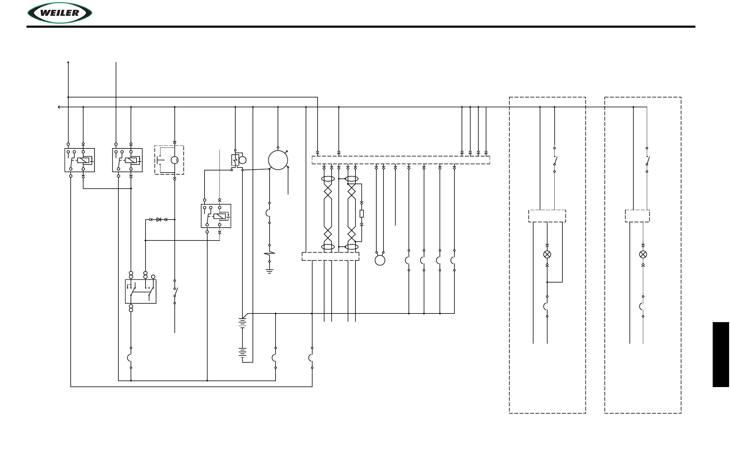
WEILER E2850 REMIXING TRANSFER VEHICLE
C-35
Schematics
ELECTRICAL SCHEMATIC – S/N 1144–1149 (INCLUDES AUSTRALIA MACHINE)
R
G
OUT
S
140-WH
140-WH
20-OR w/WH
20-OR w/WH
89-PU
8-RD
TO ENGINE ECU CB-10A
TO ENGINE ECU CB-10A
93-PU w/OR
94-YL w/GN
142-RD
142-RD
TO RELAY
TO RELAY
8-RD
8-RD
141-YL
141-YL
1-RD
1-RD
5-RD w/WH
B
RED
A
98-RD
99-RD
97-RD
G
F
E
D
C
96-RD
YL
GN
YL
0-BK
AB
GN
9-GY
10-WH
RED
3-RD
70
65
69
55
53
63
61
52
44
3
16
50
34
48
42
9
8
13-PK
7-RD
96-RD
6-RD
4-WH
20-OR wWH
GROUND
2-RD w/BK
TO PAGE 7
TO PAGE 2
PAGE 1
2-BR
2-BR
3-BK
TO BOTH MICRO PIN C1P4, DISPLAY
PIN C1P3 & PRODUCT LINK (OPT)
TO BOTH MICRO PIN C1P3, DISPLAY
PIN C1P3 & PRODUCT LINK (OPT)
STARTER
E2850-500 AUTOMATIC GREASER w/MICRO PROCESSOR (Lincoln #223)
E2850-501 AUTOMATIC GREASER w/DATA LOGGER (Lincoln #233 MDF01)
10A 6180
GREASER
GREASER
10A 6180
GREEN 25241
GREASER
WIRE HARNESS
4-YL
1-BK
3-WH
GREEN 25241
1-RD
4-WH
5-YL
100A 9012
LOC-ENGINE
50A 6186
LOC-ENGINE
SYSTEM
SYSTEM
BATTERY
BATTERY
++
TO PRODUCT LINK (OPT)
TO PRODUCT LINK (OPT)
J66 SERVICE TOOL
GLOW PLUGS
130A
8159, 80A, 24V
LOC-ENGINE
86
85
TO PRODUCT LINK (OPT)
100A 9012
LOC-ENGINE
GLOW PLUGS
87a
30
87
ENGINE ECU
10A 6180
10A 6180
ENGINE ECU
ENGINE ECU
10A 6180
HYD TANK TEMPERATURE
SENDER (w/ENG)(C1457028)
TO ENGINE STOP SWITCHES
10A 6180
ENGINE ECU
10990
TERMINATING
GREASER
WIRE HARNESS
GREASER
GREASER
STARTER
ALTERNATOR
TO DISPLAY C1P12
57A
M
ECU
78A
START/ON/OFF
10A (C9G7641)
COMES w/ENGINE
KEY SWITCH
TO ENG ECU CB-10A
5A 6159
LOC-DASH
B
S
R
C
6548
DIODE
21
8159, 80A, 24V
MAIN POWER
LOC-ENG
MAIN POWER
30
30
86
87
87a
85
87
87a
FUEL PUMP
DC MOTOR
8159, 80A, 24V
LOC-DASH
86
3.5A
M
85
1
6132
2
1
6132
2

Table of Contents

Related product manuals