EasyManua.ls Logo

Weiler E2850 - Electrical Schematic - S;N 1150-1153

Weiler E2850
268 pages
Print Icon
To Next Page IconTo Next Page
To Next Page IconTo Next Page
To Previous Page IconTo Previous Page
To Previous Page IconTo Previous Page
Loading...
Schematics
C
WEILER E2850 REMIXING TRANSFER VEHICLE
C-44
Schematics
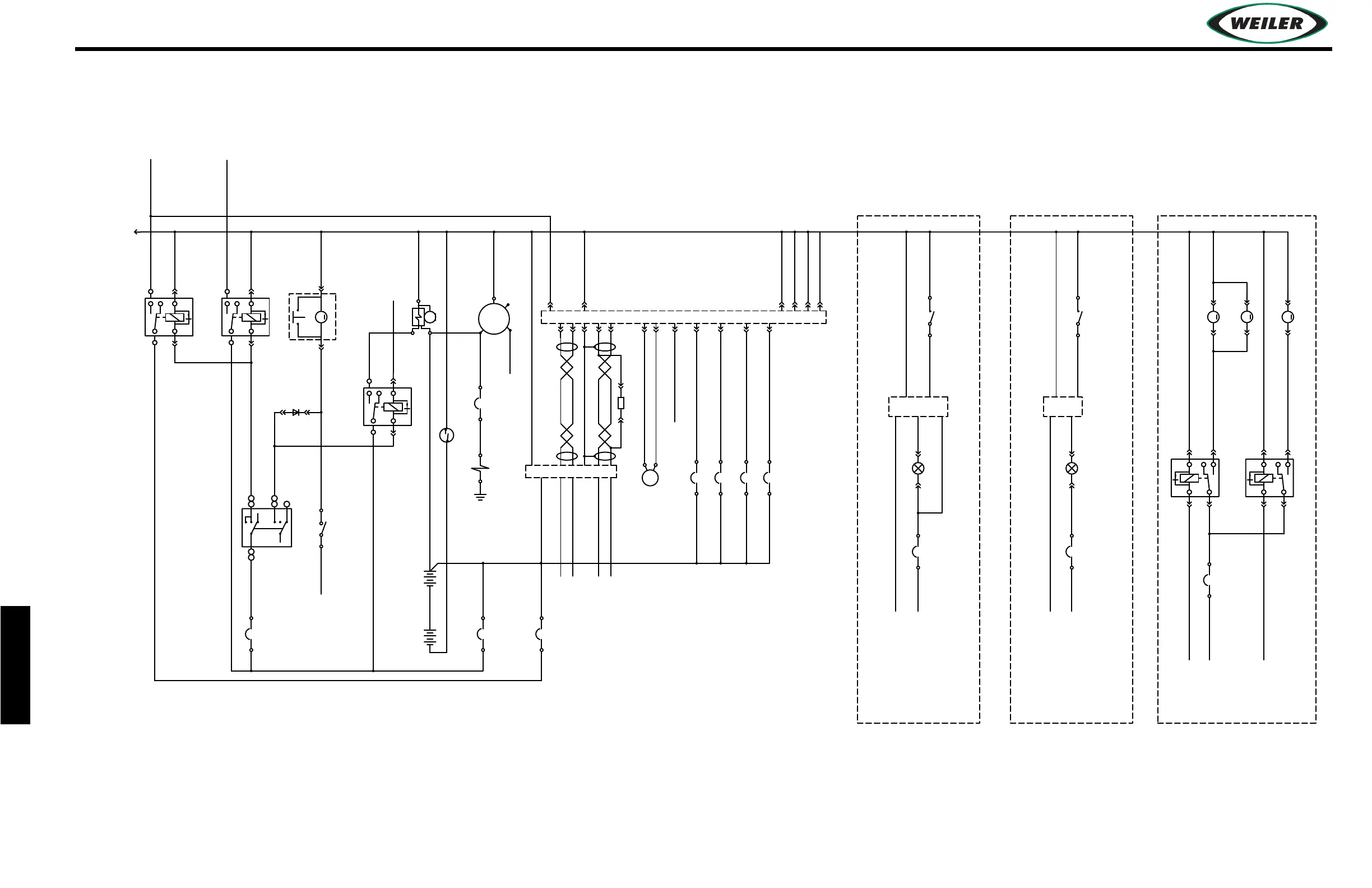
ELECTRICAL SCHEMATIC – S/N 1150–1153
132-YL
130-GN
8-RD
134-PK
131-BU
133-BR
S
OUT
G
R
TO MICRO #2 C2P9
TO MICRO #2 C2P10
2-BR
3-BK
2-BR
3.5A
SPRAY DOWN #1
DC MOTOR
DC MOTOR
TIRE SPRAY
3.5A
SPRAY OPTIONS
TIRE SPRAY
LOC-DASH
CHAIN SPRAY
5180, 20A, 24V
LOC-DASH
5180, 20A, 24V
SPRAY
10A 6180 (ENG)
86
86
30
30
85
85
87
87a
87
87a
M
M
TO BOTH MICRO PIN C1P3, DISPLAY
PIN C1P3 & PRODUCT LINK (OPT)
TO BOTH MICRO PIN C1P4, DISPLAY
PIN C1P3 & PRODUCT LINK (OPT)
E2850-501 AUTOMATIC GREASER w/DATA LOGGER (Lincoln #233 MDF01)
E2850-500 AUTOMATIC GREASER w/MICRO PROCESSOR (Lincoln #223)
GREASER
10A 6180
3-WH
1-BK
4-YL
GREASER
WIRE HARNESS
GREEN 25241
TO PRODUCT LINK (OPT)
TO PRODUCT LINK (OPT)
10A 6180
GREASER
GREASER
WIRE HARNESS
TERMINATING
10990
ENGINE ECU
10A 6180
TO ENGINE STOP SWITCHES
SENDER (w/ENG)(C1457028)
HYD TANK TEMPERATURE
10A 6180
ENGINE ECU
ENGINE ECU
10A 6180
10A 6180
ENGINE ECU
5-YL
4-WH
1-RD
GREEN 25241
GREASER
GREASER
COMES w/ENGINE
10A (C9G7641)
START/ON/OFF
B
5A 6159
LOC-DASH
TO ENG ECU CB-10A
KEY SWITCH
+ +
BATTERYBATTERY
SYSTEM
SYSTEM
50A 6186
LOC-ENGINE
120A 9012
LOC-ENGINE
12
DIODE
6548
C
R
S
87
30
87a
GLOW PLUGS
100A 9012
LOC-ENGINE
TO PRODUCT LINK (OPT)
85
86
LOC-ENGINE
8159, 100A, 24V
130A
GLOW PLUGS
J66 SERVICE TOOL
STARTER
85
M
3.5A
86
LOC-DASH
8159, 100A, 24V
DC MOTOR
FUEL PUMP
PRIMER
87a
87
85
87a
86
30
MAIN POWER
LOC-ENG
8159, 100A, 24V
78A
ECU
M
57A
TO DISPLAY C1P12
ALTERNATOR
STARTER
87
30
MAIN POWER
FUEL PUMP
PRIMER SWITCH
C1635293
5432 5432
C5T0101
GROUND DISCONNECT
20096
90117325
6672
5044
17192
1
2
DC MOTOR
3.5A
M
SPRAY DOWN #2
TO MICRO REAR
CONTROL PANEL C.B.
1
6132
2
1
6132
2
140-WH
140-WH
20-OR w/WH
20-OR w/WH
89-PU
8-RD
GN
TO ENGINE ECU CB-10A
TO ENGINE ECU CB-10A
94-YL w/GN
93-PU w/OR
142-RD
8-RD
TO RELAY
141-YL
142-RD
8-RD
TO RELAY
BA
0-BK
YL
GN
YL
96-RD
C
D
E
F
G
97-RD
99-RD
98-RD
141-YL
8
9
42
48
34
50
16
3
44
52
61
63
53
55
69
65
13-PK
6-RD
96-RD
5-RD w/WH
1-RD
1-RD
20-OR wWH
4-WH
A
B
7-RD
2-RD w/BK
70
3-RD
10-WH
9-GY
GROUND
TO PAGE 8
TO PAGE 2
PAGE 1

Table of Contents

Related product manuals