EasyManua.ls Logo

Weiler E2850 - Electrical Schematic - S;N 1154-UP

Weiler E2850
268 pages
Print Icon
To Next Page IconTo Next Page
To Next Page IconTo Next Page
To Previous Page IconTo Previous Page
To Previous Page IconTo Previous Page
Loading...
Schematics
C
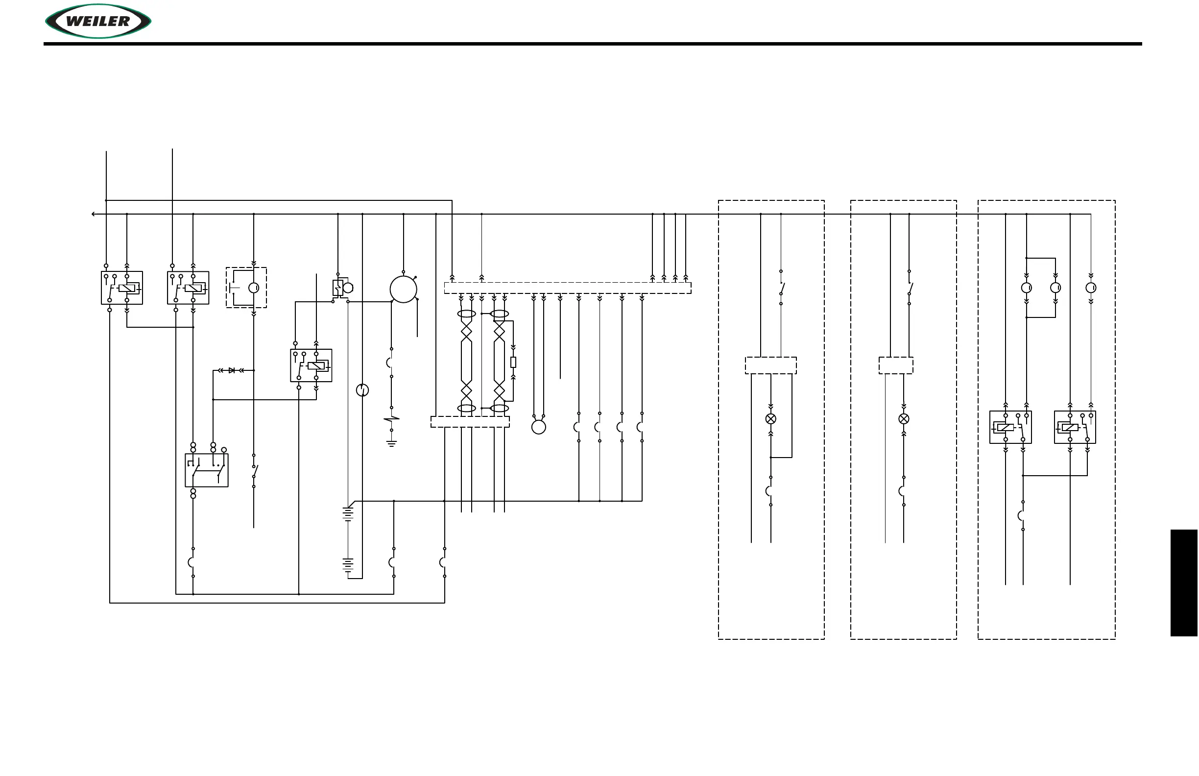
WEILER E2850 REMIXING TRANSFER VEHICLE
C-53
Schematics
ELECTRICAL SCHEMATIC – S/N 1154–UP
133-BR
131-BU
134-PK
8-RD
130-GN
132-YL
R
G
OUT
S
TO MICRO REAR
CONTROL PANEL C.B.
TO MICRO #2 C2P10
TO MICRO #2 C2P9
10A 6180 (ENG)
SPRAY
87a
87
87a
87
85
85
30
30
86
86
5180, 20A, 24V
LOC-DASH
5180, 20A, 24V
CHAIN SPRAY
LOC-DASH
TIRE SPRAY
SPRAY OPTIONS
2-BR
3-BK
2-BR
SPRAY DOWN #2
M
3.5A
DC MOTOR
M
M
3.5A
TIRE SPRAY
DC MOTOR
DC MOTOR
SPRAY DOWN #1
3.5A
E2850-500 AUTOMATIC GREASER w/MICRO PROCESSOR (Lincoln #223)
E2850-501 AUTOMATIC GREASER w/DATA LOGGER (Lincoln #233 MDF01)
GREASER
10A 6180
10A 6180
GREASER
1
GREEN 25241
1-RD
4-WH
5-YL
ENGINE ECU
10A 6180
10A 6180
ENGINE ECU
ENGINE ECU
10A 6180
SENDER (w/ENG)(C1457028)
TO ENGINE STOP SWITCHES
10A 6180
ENGINE ECU
GREASER
WIRE HARNESS
GREEN 25241
GREASER
WIRE HARNESS
4-YL
1-BK
3-WH
GREASER
GREASER
TO BOTH MICRO PIN C1P4, DISPLAY
PIN C1P3 & PRODUCT LINK (OPT)
TO BOTH MICRO PIN C1P3, DISPLAY
PIN C1P3 & PRODUCT LINK (OPT)
FUEL PUMP
PRIMER SWITCH
START/ON/OFF
10A (C9G7641)
COMES w/ENGINE
C5T0101
54325432
C1635293
120A 9012
LOC-ENGINE
50A 6186
LOC-ENGINE
SYSTEM
SYSTEM
BATTERY
BATTERY
++
KEY SWITCH
TO ENG ECU CB-10A
5A 6159
LOC-DASH
B
TO PRODUCT LINK (OPT)
TO PRODUCT LINK (OPT)
2
17192
5044
7325
GROUND DISCONNECT
STARTER
J66 SERVICE TOOL
GLOW PLUGS
130A
8159, 100A, 24V
LOC-ENGINE
86
85
TO PRODUCT LINK (OPT)
100A 9012
LOC-ENGINE
GLOW PLUGS
87a
30
87
S
R
C
6548
DIODE
21
HYD TANK TEMPERATURE
10990
TERMINATING
8159, 100A, 24V
6672
9011
20096
STARTER
ALTERNATOR
TO DISPLAY C1P12
57A
M
ECU
78A
LOC-ENG
MAIN POWER
30
87
87a
FUEL PUMP
PRIMER
DC MOTOR
8159, 100A, 24V
LOC-DASH
86
3.5A
M
85
MAIN POWER
30
87
86
87a
85
1
6132
2
1
6132
2
140-WH
140-WH
20-OR w/WH
20-OR w/WH
89-PU
8-RD
94-YL w/GN
TO ENGINE ECU CB-10A
TO ENGINE ECU CB-10A
142-RD
142-RD
TO RELAY
8-RD
TO RELAY
8-RD
141-YL
98-RD
99-RD
97-RD
96-RD
141-YL
65
69
55
53
63
61
52
44
16
48
13-PK
93-PU w/OR
1-RD
1-RD
5-RD w/WH
96-RD
6-RD
B
A
4-WH
20-OR wWH
G
F
E
D
C
YL
GN
YL
0-BK
AB
GN
7-RD
9-GY
10-WH
3-RD
70
2-RD w/BK
3
50
34
42
9
8
GROUND
TO PAGE 2
TO PAGE 8
PAGE 1

Table of Contents

Related product manuals