EasyManua.ls Logo

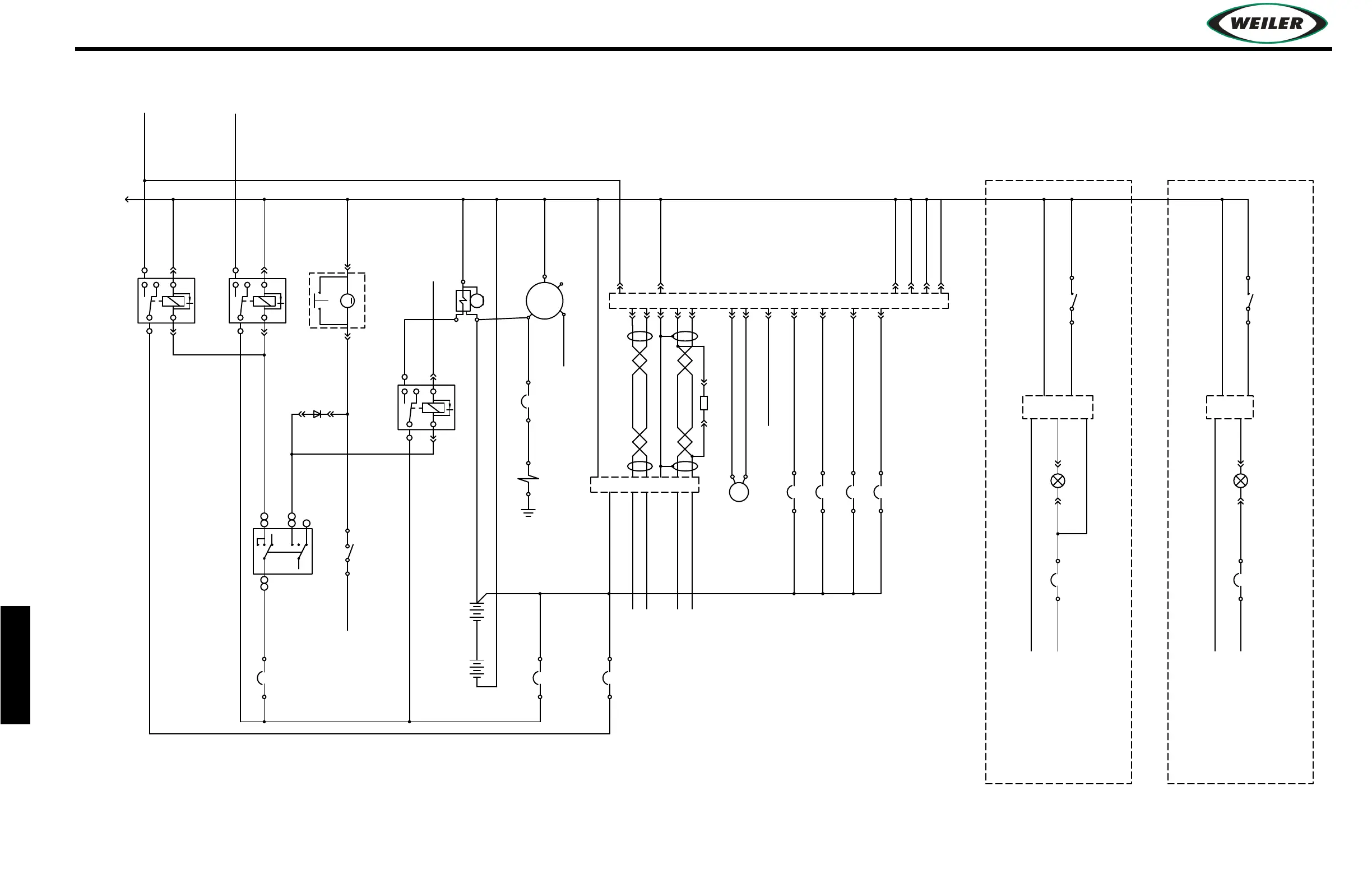
Weiler E2850 - Electrical Schematic - S;N 1141-1144

Weiler E2850
268 pages
Print Icon
To Next Page IconTo Next Page
To Next Page IconTo Next Page
To Previous Page IconTo Previous Page
To Previous Page IconTo Previous Page
Loading...
Schematics
C
WEILER E2850 REMIXING TRANSFER VEHICLE
C-28
Schematics
ELECTRICAL SCHEMATIC – S/N 1141–1144
S
OUT
G
R
140-WH
140-WH
20-OR w/WH
20-OR w/WH
89-PU
8-RD
TO ENGINE ECU CB-10A
TO ENGINE ECU CB-10A
GN
94-YL w/GN
93-PU w/OR
142-RD
142-RD
8-RD
8-RD
TO RELAY
TO RELAY
141-YL
141-YL
BA
0-BK
YL
GN
YL
96-RD
C
D
E
F
G
97-RD
99-RD
98-RD
8
9
42
48
34
50
16
3
44
52
61
63
53
55
69
65
13-PK
20-OR wWH
6-RD
96-RD
5-RD w/WH
1-RD
1-RD
4-WH
A
RED
B
7-RD
70
3-RD
RED
10-WH
9-GY
GROUND
2-RD w/BK
TO PAGE 7
TO PAGE 2
PAGE 1
3-BK
2-BR
2-BR
TO BOTH MICRO PIN C1P3, DISPLAY
PIN C1P3 & PRODUCT LINK (OPT)
TO BOTH MICRO PIN C1P4, DISPLAY
PIN C1P3 & PRODUCT LINK (OPT)
E2850-501 AUTOMATIC GREASER w/DATA LOGGER (Lincoln #233 MDF01)
E2850-500 AUTOMATIC GREASER w/MICRO PROCESSOR (Lincoln #223)
10A 6180
GREASER
GREASER
10A 6180
5-YL
4-WH
1-RD
GREASER
WIRE HARNESS
GREEN 25241
3-WH
1-BK
4-YL
GREASER
WIRE HARNESS
GREEN 25241
TO PRODUCT LINK (OPT)
TO PRODUCT LINK (OPT)
TERMINATING
10990
ENGINE ECU
10A 6180
TO ENGINE STOP SWITCHES
SENDER (w/ENG)(C1457028)
HYD TANK TEMPERATURE
10A 6180
ENGINE ECU
ENGINE ECU
10A 6180
10A 6180
ENGINE ECU
GREASER
GREASER
COMES w/ENGINE
10A (C9G7641)
B
+ +
BATTERY
5A 6159
LOC-DASH
BATTERY
SYSTEM
TO ENG ECU CB-10A
SYSTEM
50A 6186
LOC-ENGINE
100A 9012
LOC-ENGINE
87
30
STARTER
87a
12
DIODE
6548
C
R
S
GLOW PLUGS
100A 9012
LOC-ENGINE
TO PRODUCT LINK (OPT)
85
86
LOC-ENGINE
8159, 80A, 24V
130A
GLOW PLUGS
J66 SERVICE TOOL
START/ON/OFF
KEY SWITCH
85
M
3.5A
78A
ECU
M
57A
TO DISPLAY C1P12
86
ALTERNATOR
LOC-DASH
8159, 80A, 24V
DC MOTOR
FUEL PUMP
STARTER
87a
87
85
87a
87
86
30
30
MAIN POWER
LOC-ENG
MAIN POWER
8159, 80A, 24V
1
6132
2
1
6132
2

Table of Contents

Related product manuals