EasyManua.ls Logo

Weiler E2850 - Page 237

Weiler E2850
268 pages
Print Icon
To Next Page IconTo Next Page
To Next Page IconTo Next Page
To Previous Page IconTo Previous Page
To Previous Page IconTo Previous Page
Loading...
Schematics
C
WEILER E2850 REMIXING TRANSFER VEHICLE
C-45
Schematics
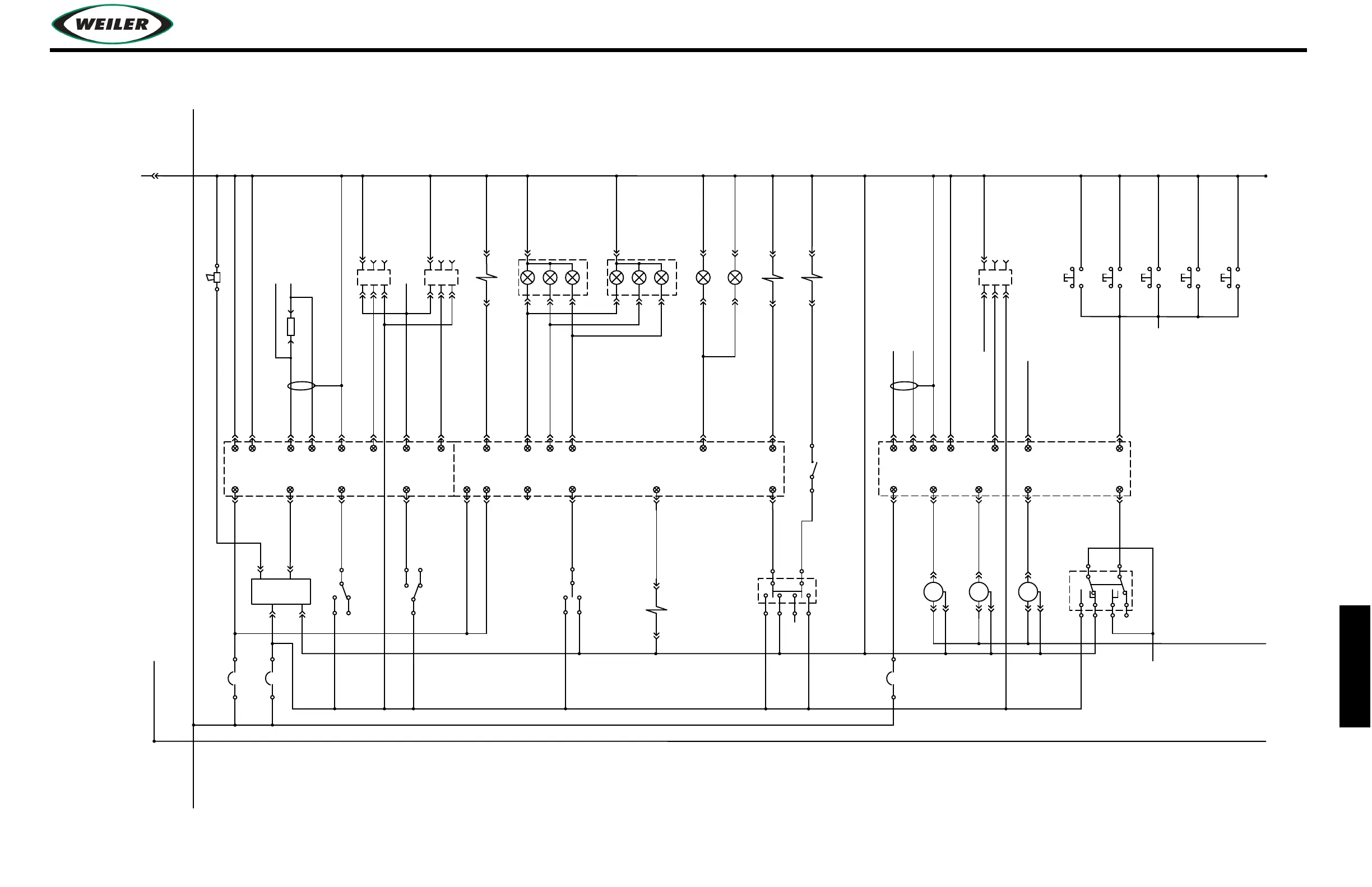
ELECTRICAL SCHEMATIC – S/N 1150–1153
S
-
+
+
-
+
-
S
S
24-OR w/BK
C1P8
C2P1
C2P7
C1P2
C1P6
C1P7
C1P9
C1P12
C2P8
C2P10
C1P3
C1P4
C1P5
C1P1
C1P11
C1P10
C1P2
C1P7
C1P11
C2P2
C1P6
C2P12
C2P11
C2P9
C1P1
C1P9
C1P4
C1P3
C1P5
C1P12
C2P5
C1P10
C2P4
C1P8
C2P3
C2P6
89-PU
TO PAGE 8
21-BU w/RD
35-YL
34-WH
158-TN
15-GY
12-GN
14-PK
17-OR w/WH
41-TN
32-GY
129-TN
37-YL
42-BU
GN
YL
9-GY
33-YL
2-RD w/BK
47-TN
36-WH
GRD
SIG
VS
25-OR w/WH
ALM
90-GN w/WH
31-BU
120 OHM
YL
GN
29-PK
38-GN
138-BR
137-PK
136-YL
46-GY
37-YL
30-BU
TO PAGE 4
CHASIS
GROUND
FROM PAGE 1
TO PAGE 3 TO PAGE 3
TO PAGE 3
PAGE 2
ENG ECM P50, ALL MICRO C1P4
ENG ECM P34, ALL MICRO C1P3
TO ENG CPU PIN 44
6136
TO FUME
EXTRACTION SWITCH
DISPLAY
10A 6180
(DASH)
ENGINE STOP 8952
(RH REAR PANEL)
25687
25687
STORAGE LIGHT BAR
GREEN
PROPEL MOTOR SPEED
TRACTION CONTROL
GREEN 4476(OPT)
DISTANCE CONTROL
15579
TO STARTER RELAY PIN 85
ENGINE STOP 8952
(TOP DASH)
ENGINE STOP 8952
(LH HOPPER BOX)
ENGINE STOP 8952
(RH HOPPER BOX)
ENGINE STOP 8952
(LH REAR PANEL)
DISCHARGE SPEED POT
10525
15577
MC024-120 26138
TRACTION CONTROL
DISPLAY
6132
(11470)
2
5
LOW
HI
1
3
4
2A
SPEED RANGE
TO CONV CHAIN
TENSION VALVE
2
STORAGE PRESSURE
ELEVATOR PRESSURE
CONVEYOR PRESSURE
12038
(11470)
(11470)
6
5
2
6
4
3
1
STORAGE, CONVEYOR
2A
3
1
6
2A
1
TO MICRO C1P8
RED
RED
5
4
2
10A 6180 (DASH)
MICRO
PROPEL
5A 6159 (DASH)
73131968
BACK UP ALARM
STORAGE LIGHT BAR
GREEN
ELEV SPEED POT
15579
PARK BRAKE
15579
PROPEL SPEED POT
MICRO
2
10522
3
1
JOYSTICK
ELEVATOR
2
6129
HI
LO
3
1
PARK BRAKE
ENGINE SPEED
RESISTOR
3
1
6
3
1
6
2A
ENG ECM P50, DISPLAY C1P4
MICRO #2 C1P3
ENG ECM P34, DISPLAY C1P4
MICRO #2 C1P4
RED
5
4
2
RED
5
4
2
TO DISCHARGE SPEED POT
CONV. DISTANCE CONTROL
39582(OPT)
6129
2
1
3
CAN SHEILD
C
IN
PWM/DOUT
IN
B
SUPPLY (+)
IN
B
IN
B
A
A
C
A
C
IN
DOUT
OUT
SINK
GND
CAN (-)
CAN (+)
IN
IN
SUPPLY (+)
4
DIN
AIN
3
1
2
IN
DIN
SUPPLY (+)
SUPPLY (+)
PWM
GND
GRD
CAN (-)
CAN (+)
CAN SH
IN
PWM
DIN
DOUT
IN
5V (+)
DOUT
.5A

Table of Contents

Related product manuals