EasyManua.ls Logo

Weiler E2850 - Page 238

Weiler E2850
268 pages
Print Icon
To Next Page IconTo Next Page
To Next Page IconTo Next Page
To Previous Page IconTo Previous Page
To Previous Page IconTo Previous Page
Loading...
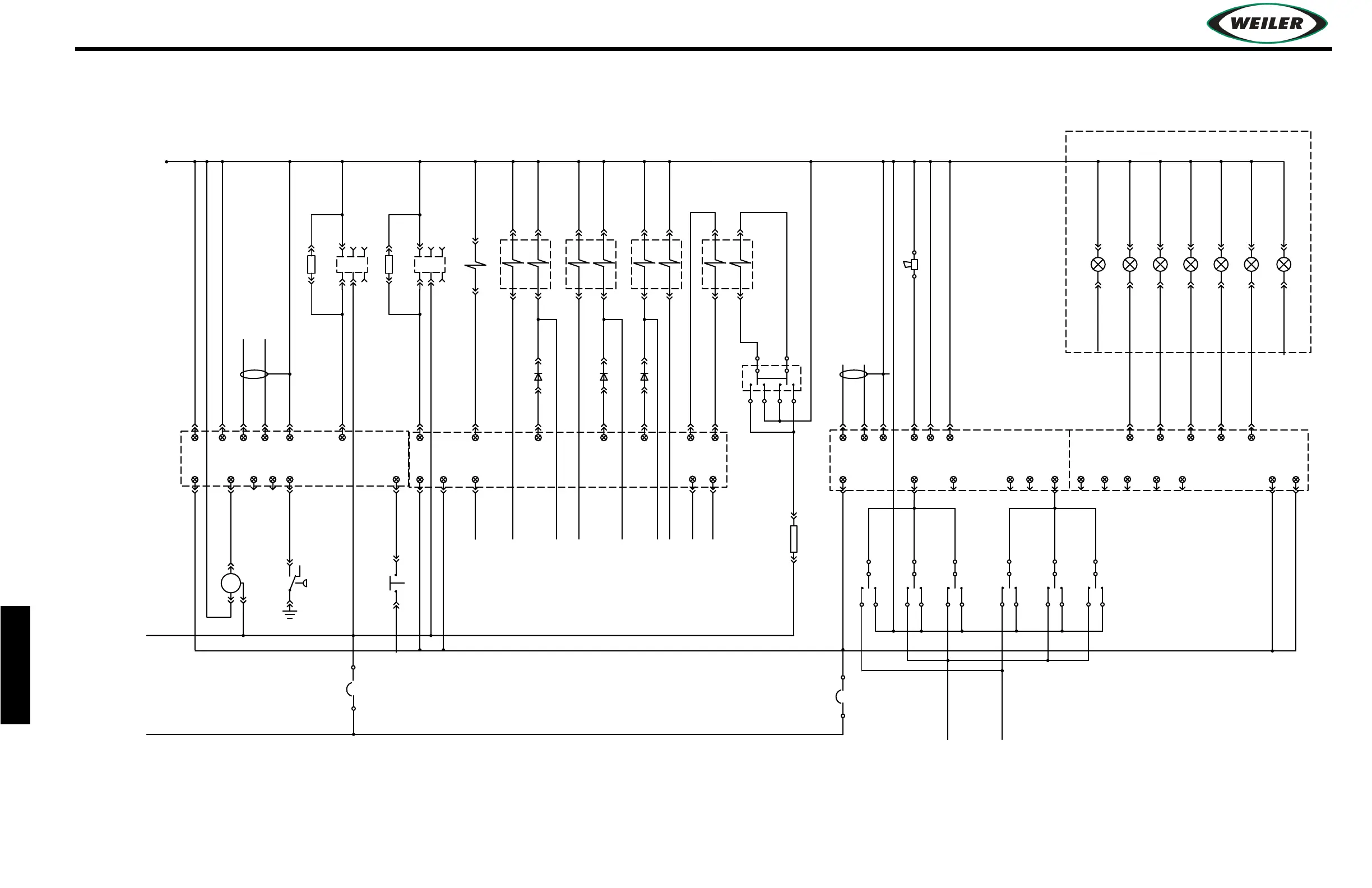
Schematics
C
WEILER E2850 REMIXING TRANSFER VEHICLE
C-46
Schematics
ELECTRICAL SCHEMATIC – S/N 1150–1153
23-BU w/WH
PROPEL PUMP
CONVEYOR PUMP
48-PU w/OR
49-GY w/BK
43-PU w/OR
STORAGE PUMP
60-OR w/BK
71-OR w/BK
151-GY
153-PK
152-BU
154-OR
155-BR
125-YL
132-YL
130-GN
11-OR w/BK
150-YL
109-TN
22-PU
45-TN
27-BR
126-BR
CANA-YL
CANA-GN
26-LT BU
28-PU
124-GN
157-PU
156-GN
101-BU
110-WH
16-GY
11-OR w/BK
S
-
+
128-PU
18-OR
59-TN w/BK
47-GY
135-PK
YL
GN
127-BU
107-TN
107-TN
FROM PAGE 2
FROM PAGE 2
FROM PAGE 2
PAGE 3
TO REMOTE ELEVATOR SWITCHES
TO REMOTE STORAGE SWITCH
TO REMOTE CONV SWITCH
TO REMOTE CONV SWITCH
TO LH CLEAN OUT DOOR SWITCH SWITCH
TO REMOTE ELEVATOR SWITCHES
TO TIRE SPRAY RELAY P86 (OPT)
TO CHAIN SPRAY RELAY P86 (0PT)
TO RH CONTROL
PANEL CB-10A
MICRO #2
10A 6180 (ENG)
TO HOPPER CONTROL
PANEL CB-10A
5A 6159
(ENG)
SENDER
DISPLAY FUSE (OPT)
73131968
BLUE 30770
BLUE 30770
BOTTOM FLASHING
MIDDLE BOTTOM FLASHING
MIDDLE CLEARANCE
BLUE 30770
BLUE 30770
BLUE 30770
MIDDLE TOP FLASHING
TOP FLASHING
TRUCK SIGNAL LIGHTS GROUP (OPT)
ENG ECM P34, DISPLAY C1P4, ALL MICRO C1P3
ENG ECM P50, DISPLAY C1P4, ALL MICRO C1P4
WARNING HORN (RADIO OPT)
MC024-120 26138
REMOTE TRUCK COME/GO
REMOTE TRUCK COME/GO
1
6128
2
2
2
6128
6128
3
3
1
3
1
TRUCK COME/GO
MICRO #3
MC024-120 26138
9507
510 ohm
2
2
2
6128
6128
3
1
3
1
6128
3
1
RAISE/LOWER
REMOTE RAISE/LOWER
REMOTE RAISE/LOWER
26139
DIODE
26139
DIODE
26139
1
5
9489
6
4
2
3
PROPEL LIMP
25869
ELEVATOR PUMP
GENERATOR (opt)
510 OHM (9507)
STORAGE DEPTH SONIC
RESISTOR
RESISTOR
510 OHM (9507)
25869
AUTO DRIVE SONIC
ENG ECM P50, DISPLAY C1P4, ALL MICRO C1P4
ENG ECM P34, DISPLAY C1P4, ALL MICRO C1P3
MICRO #2
DIST CONTROL
GREEN 31874 (OPT)
C
A
B
CASE FILTER
40 psi
.1v/.4v (C3389412)
FUEL LEVEL
TO GRD SPEED (OPT)
DIODE
2A
6
1
3
6
1
3
2
4
5
2
4
5
TOP CLEARANCE
WHITE 30768
BOTTOM CLEARANCE
WHITE 30768
TO DASH LAMPS
TO DASH LAMPS
C1
D
A
C2
C1
C
B
C2
C1
D
A
C2
C1
C
B
C2
C1
D
A
C2
C1
C
B
C2
C1
D
A
C2
C1
C
B
C2
PWM
IN
DIN
IN
PWM
PWM
OUT
PWM
DIN
DIN
SUPPLY (+)
5v (+)
SUPPLY (+)
DIN
SUPPLY (+)
IN
IN
PWM
PWM
GRD
IN
CAN (+)
CAN SH
CAN (-)
IN
GND
PWM
PWM
.5A
DIN
DIN
SUPPLY (+)
SUPPLY (+)
5v (+)
DIN
DIN
DIN
SUPPLY (+)
PWM
OUT
IN
IN
GND
GRD
CAN (-)
CAN (+)
CAN SH
PWM
DIN
C2P2
C2P8
C2P9
C1P10
C2P6
C2P7
C2P4
C2P5
C1P12
C1P2
C1P8
C2P12
C2P11
C1P7
C1P6
C2P9
C2P10
C2P6
C2P7
C2P5
C1P5
C1P11
C1P3
C1P4
C2P3
C1P1
C1P9
C2P4
C2P3
C2P2
C2P12
C1P7
C2P11
C1P8
C1P6
C1P2
C1P10
C1P12
C2P8
C2P1
C1P11
C1P1
C1P9
C1P5
C1P4
C1P3
C2P1
C2P10

Table of Contents

Related product manuals