EasyManua.ls Logo

Weiler E2850 - Page 252

Weiler E2850
268 pages
Print Icon
To Next Page IconTo Next Page
To Next Page IconTo Next Page
To Previous Page IconTo Previous Page
To Previous Page IconTo Previous Page
Loading...
Schematics
C
WEILER E2850 REMIXING TRANSFER VEHICLE
C-60
Schematics
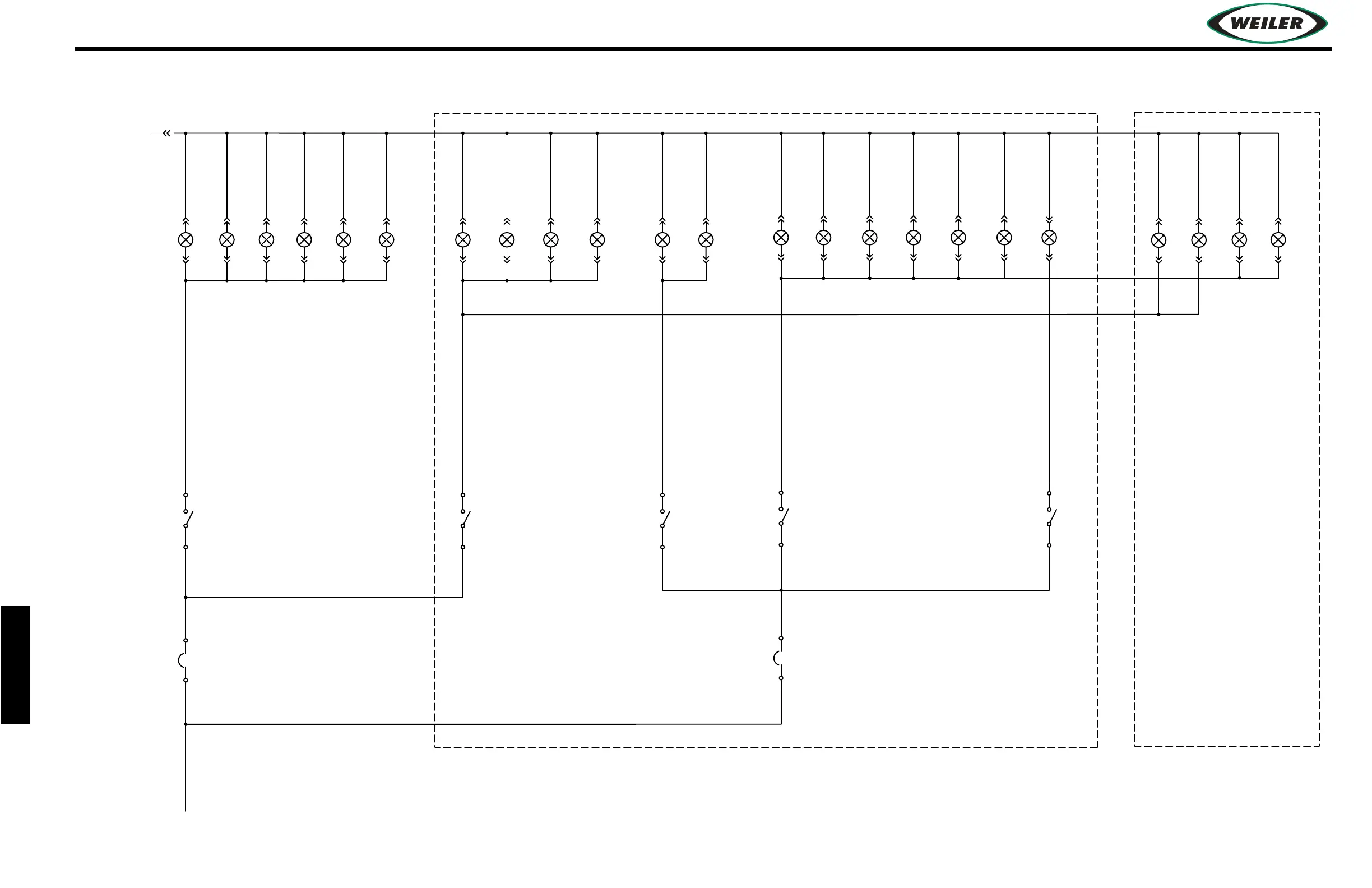
ELECTRICAL SCHEMATIC – S/N 1154–UP
LH FRONT POLE
(26526)
RH FRONT POLE
(26526)
LH PLATFORM POLE
(26526)
(26526)
RH PLATFORM POLE
.7A
.7A
.7A
.7A
RH REAR
(C2344323/26526)
(C2344323/26526)
LH GROUND REAR
RH GROUND REAR
(C2344323/26526)
LH CONVEYOR
(C2344323/26526)
RH CONVEYOR
(C2344323/26526)
(C3381132)
LED STROBE
PREMIUM POLE LIGHTING GROUP (OPT)
1
2
STROBE
6129
3A
3A
3A
3A
3A
2A
(C2344323/26526)
LH HOPPER
RH HOPPER
(C2344323/26526)
LH GROUND
(C2344323/26526)
RH GROUND
(C2344323/26526)
LH HEAD
(C2344323/26526)
RH HEAD
(C2344323/26526)
LH REAR
(C2344323/26526)
(C3166409)
CENTER DASH LAMP
(C3166409)
RH DASH LAMP
(C3166409)
ENGINE DASH LAMP
(C3166409)
LH REMOTE DASH LAMP
(4449/8170)
(4449/8170)
RH REMOTE DASH LAMP
LH DASH LAMP
WORK LIGHTS
& STROBE
30A 6160
LOC-ENG
HOPPER LIGHTS
30A 6160
LOC-ENG
LIGHTING GROUP (OPT)
1
2
HOPPER LIGHTS
6129
1
2
HEAD LIGHTS
1
2
REAR WORK LIGHT
6129
6129
3A
3A
3A
3A
3A
3A
3A
1
2
DASH LIGHTS
6129
FROM PAGE 1,2,4
PAGE 8
GROUND
56-GY w/RD
57-BR
102-OR w/GN
104-GN
103-YL
106-BU
105-OR
107-TN

Table of Contents

Related product manuals