EasyManua.ls Logo

Weiler E2850 - Page 255

Weiler E2850
268 pages
Print Icon
To Next Page IconTo Next Page
To Next Page IconTo Next Page
To Previous Page IconTo Previous Page
To Previous Page IconTo Previous Page
Loading...
Schematics
C
WEILER E2850 REMIXING TRANSFER VEHICLE
C-63
Schematics
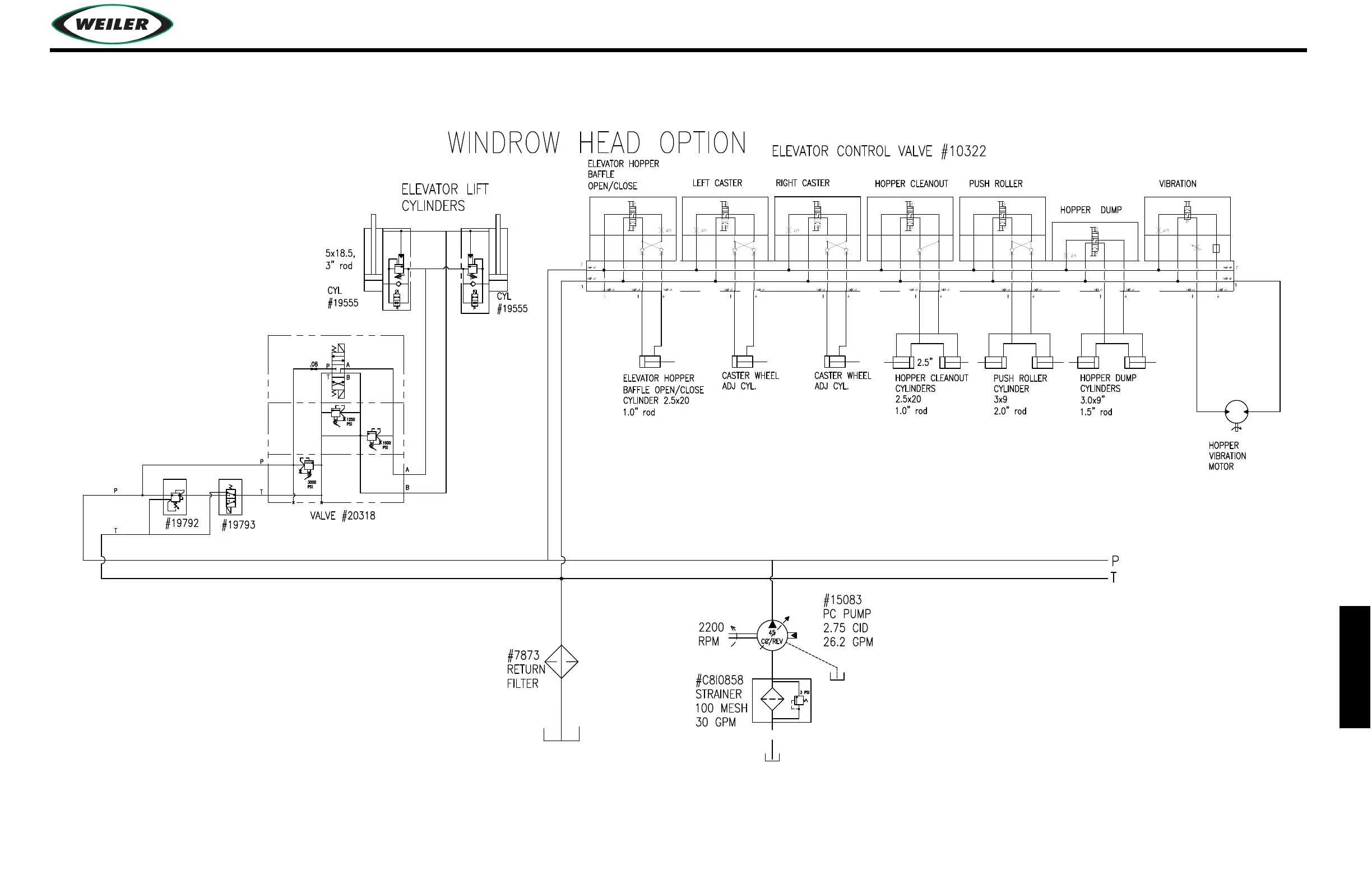
HYDRAULIC SCHEMATIC

Table of Contents

Related product manuals