EasyManua.ls Logo

Ashida ADR233B - Page 423

Default Icon
479 pages
Print Icon
To Next Page IconTo Next Page
To Next Page IconTo Next Page
To Previous Page IconTo Previous Page
To Previous Page IconTo Previous Page
Loading...
ADR233B
Doc ID : ADR233B_IM_01
Ref ID : ADR233B/IM/FC
Rev No. : 05
Page No. : 423 of 479
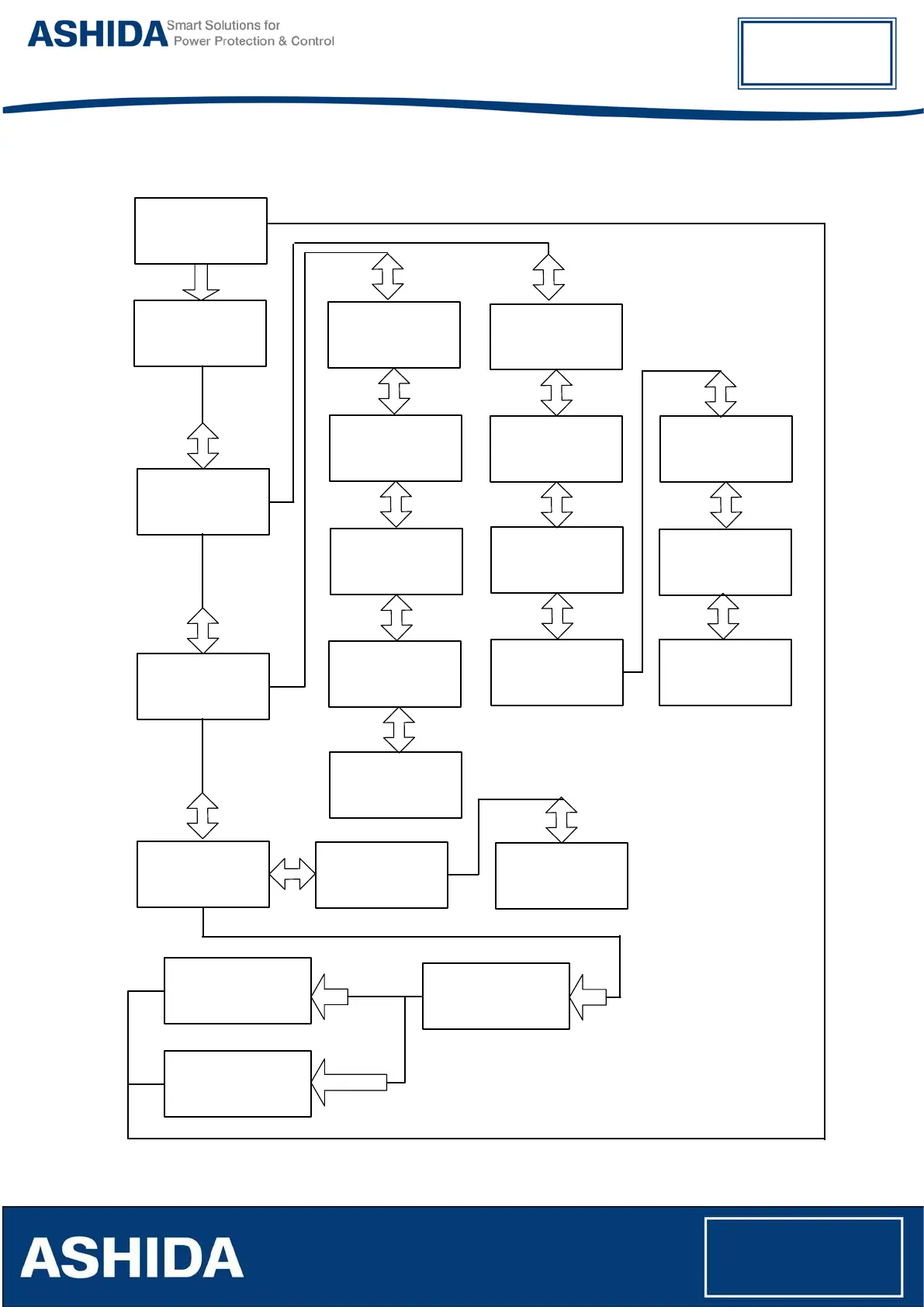
9.11.2.2 Ph Differential (If Enabled)
Ph Differential
Is>1
0.2 pu
Range 0.1 – 2.5 pu
Ph Differential
Slope 1
30 %
Range 10 – 150 %
3 4
3 4
Ph Differential
Slope 2
80 %
Range 15 – 150 %
3 4
3 4
3 4
Ph Differential
Is>2
1.0 pu
Range 0.1 – 2.5 pu
Ph Differential
tIs>
0.01 s
Range 0 – 10 s
Ph Differential
IHs>2
10.0 pu
Range 0.5 – 30 pu
Ph Differential
IHs>1
10.0 pu
Range 0.5 – 30 pu
3 4
SAVE Settings
DISCARD Settings
4
Press 3 Key
For Save
Press Target Reset
Key For Cancel
Target Reset
3
Ph Differential
Ph Differential
Enabled
Equipment Data
Ph Differential 4
REF
Phase OC
6
PROTECTION
CLEAR RECORDS
OUTPUT & LED TEST
GROUP 1
4
6 5
6 5
Ph Differential
Hrm BLK Criteria
Blocked
3 4
3 4
3 4
Hrm BLK Criteria
Hrm BLK Mode
2ndHRM & 4thHRM
Hrm BLK Criteria
4ndHrm Threshold
20 %
Range 5 – 70 %
Hrm BLK Criteria
2ndHrm Threshold
20 %
Range 5 – 70 %
Ph Differential
5thHrm Diff BLK
Enabled
3 4
3 4
5th Hrm Diff BLK
t 5thHrm
0.01 s
Range 0 - 10 s
5th Hrm Diff BLK
5thHrm Threshold
20 %
Range5 – 70 %
6 5
3 4
Hrm BLK Criteria
Cross Blocking
Time Enabled
3 4
Hrm BLK Criteria
t Cross blocking
5s
Range 0 – 10s
3 4

Table of Contents

Related product manuals