EasyManua.ls Logo

Ashida ADR233B - Page 429

Default Icon
479 pages
Print Icon
To Next Page IconTo Next Page
To Next Page IconTo Next Page
To Previous Page IconTo Previous Page
To Previous Page IconTo Previous Page
Loading...
ADR233B
Doc ID : ADR233B_IM_01
Ref ID : ADR233B/IM/FC
Rev No. : 05
Page No. : 429 of 479
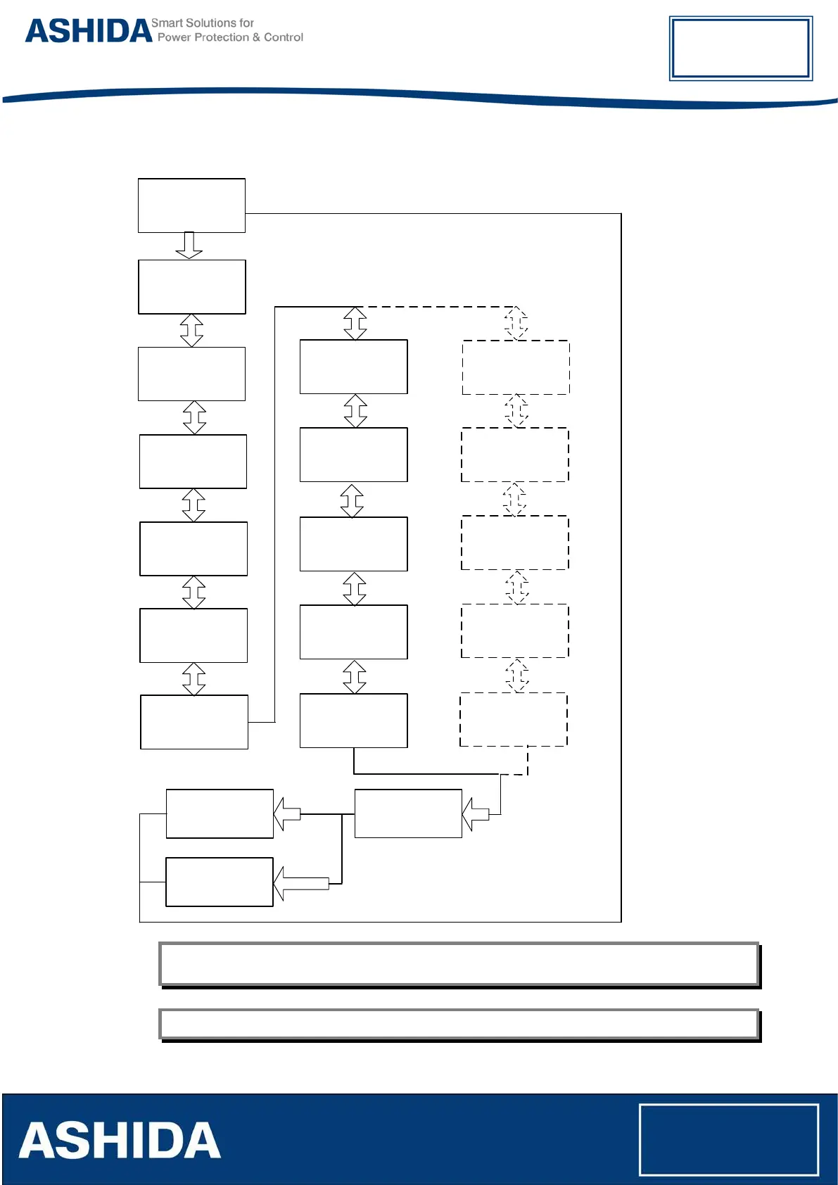
9.11.4.3 W1 Phase OC (IEEE / US Curve)
W1 Phase OC
IP>1 Curve
IEEE M Inverse
W1 Phase OC
IP>1
1.00 A
0.05 – 4.00 xIn
3 4
W1 Phase OC
IP>1 Time Dial
1.00
Range 0.01 – 100
3 4
W1 Phase OC
IP>1 D/O Char
DT
W1 Phase OC
t IP>1 D/O Delay
0.01 S
Range 0 – 100s
3 4
W1 Phase OC
IP>1 D/O TMS
1.000
Range 0.025 – 1.2
3 4
W1 Phase OC
IP>1 2H BLK
Enabled
3 4
W1 Phase OC
IP>1 UB2H
4.0 A
4.0 – 32.0 xIn
W1 Phase OC
IP>12H Thresh
5 %
Range 5 – 70%
3 4
3 4
W1 Phase OC
IP>1 D/O Char
IDMT
6 5
W1 Phase OC
IP>1 2H BLK
Enabled
3 4
W1 Phase OC
IP>1 UB2H
4.0 A
4.0 – 32.0 xIn
W1 Phase OC
IP>12H Thresh
5 %
Range 5 – 70%
3 4
3 4
3 4
3 4
SAVE Settings
DISCARD Settings
4
Press 3 Key
For Save
Press Target Reset
Key For Cancel
Target Reset
3
6 5
REF
Phase OC
4
Ground OC
Residual OC
6
PROTECTION
CLEAR RECORDS
OUTPUT & LED TEST
GROUP 1
4
Phase OC
W1 Phase OC
4
W2 Phase OC
6 5
W1 Phase OC
IP>1 Enable
Enabled
Note: The W1 Phase OC settings of IP>2 Enable and IP>3 Enable for all IEEE / US Curves is similar to
W1 Phase OC setting of IP>1 Enable.
Note: The Phase OC settings of W2 Phase OC is similar to W1 Phase OC.

Table of Contents

Related product manuals