EasyManua.ls Logo

Ashida ADR233B - Page 448

Default Icon
479 pages
Print Icon
To Next Page IconTo Next Page
To Next Page IconTo Next Page
To Previous Page IconTo Previous Page
To Previous Page IconTo Previous Page
Loading...
ADR233B
Doc ID : ADR233B_IM_01
Ref ID : ADR233B/IM/FC
Rev No. : 05
Page No. : 448 of 479
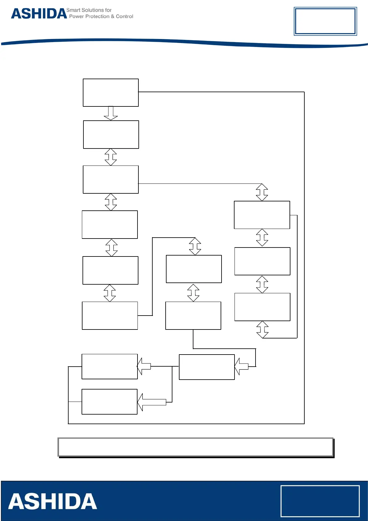
9.11.10.2 V/Hz Protection (If Enabled)
V/Hz-1 Protection
V/Hz Level1
105%
Range 100 to 200%
V/Hz-1 Protection
tV/Hz Level1
100.0s
Range 0.1 to 400s
3 4
6 5
V/Hz-1 Protection
tReset V/HzLevel1
5s
Range 1s to 400s
3 4
V/Hz Protection
V/Hz-6 Protection
Enabled
3 4
SAVE Settings
DISCARD Settings
4
Target Reset
3
Press 3 Key
For Save
Press Target Reset
Key For Cancel
Under Voltage
Over Voltage
V/Hz Protection
4
Breaker Failure
6
PROTECTION
CLEAR RECORDS
OUTPUT & LED TEST
GROUP 1
4
V/Hz Protection
V/Hz-1 Protection
Enabled
6 5
V/Hz Protection
V/Hz-2 Protection
Enabled
3 4
V/Hz Protection
V/Hz-5 Protection
Enabled
3 4
V/Hz Protection
V/Hz-4 Protection
Enabled
3 4
V/Hz Protection
V/Hz-3 Protection
Enabled
3 4
3 4
Note: The V/Hz Protection settings of V/Hz-2 Protection, V/Hz-3 Protection, V/Hz-4 Protection, V/Hz-5
Protection and V/Hz-6 Protection is similar to V/Hz-1 Protection Settings.

Table of Contents

Related product manuals