EasyManua.ls Logo

Hioki IM3533 - Internal Circuitry

Hioki IM3533
400 pages
Print Icon
To Next Page IconTo Next Page
To Next Page IconTo Next Page
To Previous Page IconTo Previous Page
To Previous Page IconTo Previous Page
Loading...
12.3 Internal Circuitry
325
12
Chapter 12 External Control
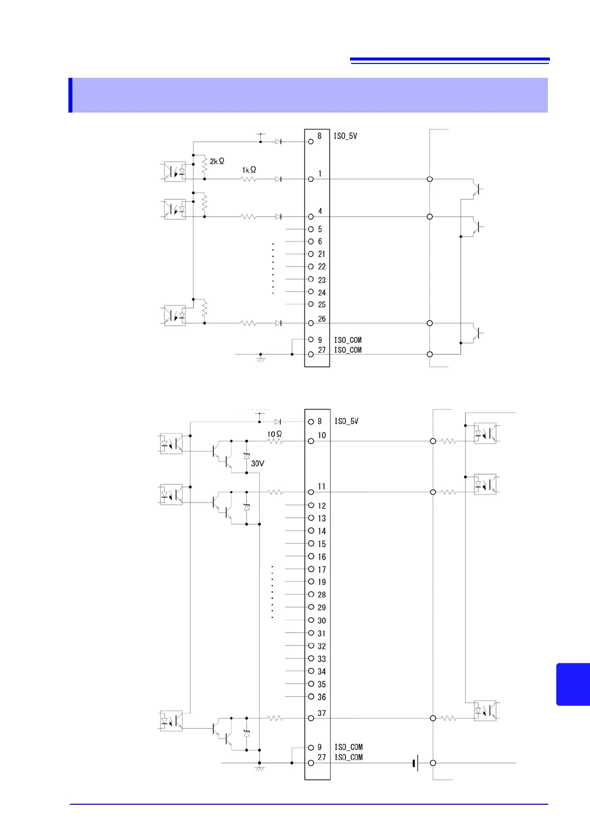
12.3 Internal Circuitry
Input Circuit
Output Circuit
Internally Isolated 5 V
PLC, etc.
Output
Common
Internally Isolated
Common Signal Ground
Do not apply external power
Internally Isolated 5 V
PLC, etc.
Input
Common
Zener Voltage
Internally Isolated Common Signal Ground

Table of Contents

Related product manuals