EasyManua.ls Logo

Lenze 8400 - Page 187

Lenze 8400
1590 pages
Print Icon
To Next Page IconTo Next Page
To Next Page IconTo Next Page
To Previous Page IconTo Previous Page
To Previous Page IconTo Previous Page
Loading...
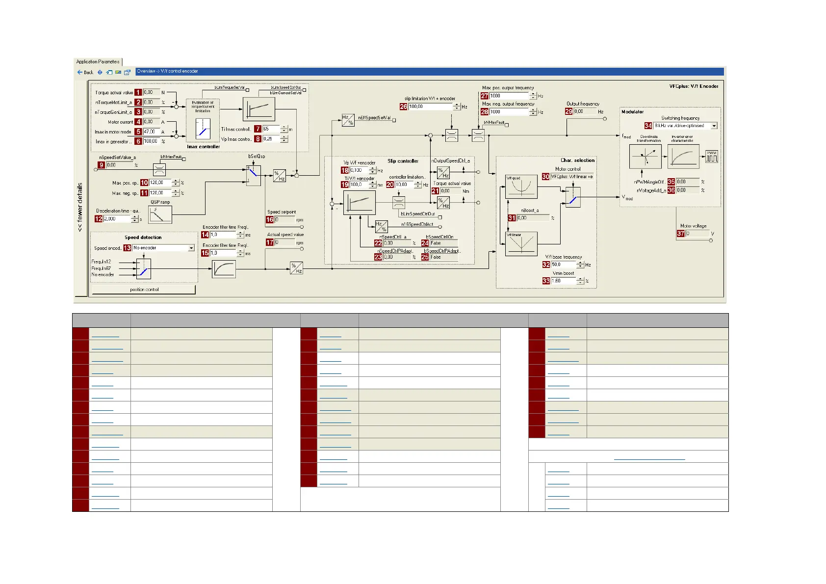
5 Motor control (MCTRL)
5.6 V/f control (VFCplus + encoder)
Lenze · 8400 HighLine · Reference manual · DMS 12.0 EN · 06/2017 · TD23 187
_ _ _ _ _ _ _ _ _ _ _ _ _ _ _ _ _ _ _ _ _ _ _ _ _ _ _ _ _ _ _ _ _ _ _ _ _ _ _ _ _ _ _ _ _ _ _ _ _ _ _ _ _ _ _ _ _ _ _ _ _ _ _ _
Parameters Info Parameters Info Parameters Info
1 C00056/2 Actual torque value 16 C00050 Speed setpoint 29 C00058 Output frequency
2 C00830/29 Limitation of torque in motor mode 17 C00051 Actual speed value 30 C00006 Motor control
3 C00830/28 Limitation of torque in generator mode 18 C00972 Vp Vf+encoder 31 C00830/26 MCTRL: nBoost_a
4 C00054 Motor current 19 C00973 Ti Vf+encoder 32 C00015 V/f base frequency
5 C00022 Imax in motor mode 20 C00971/1 Controller limitation Vf+encoder 33 C00016 Vmin boost
6 C00023 Imax in generator mode 21 C00056/2 Actual torque value 34 C00018 Switching frequency
7 C00074 Ti Imax controller 22 C00830/24 MCTRL: nSpeedCtrlI_a 35 C00830/32 MCTRL: nPWMAngleOffset_a
8 C00073 Vp Imax controller 23 C00830/25 MCTRL: nSpeedCtrlPAdapt_a 36 C00830/31 MCTRL: nVoltageAdd_a
9 C00830/22 Speed setpoint 24 C00833/31 MCTRL: bSpeedCtrlIOn 37 C00052 Motor voltage
10 C00909/1 Max. pos. speed 25 C00833/69 MCTRL: bSpeedCtrlPAdaptOn
11 C00909/2 Max. neg. speed 26 C00971/2 Slip limitation Vf+encoder More relevant parameters for Encoder/feedback system:
12 C00105 Decel. time - quick stop 27 C00910/1 Max. pos. output frequency C00115 DI1/2 & DI6/7 function
13 C00495 Speed sensor selection 28 C00910/2 Max. neg. output frequency C00420 Number of encoder increments
14 C00497/2 Encoder filter time FreqIn67 C00425 Encoder scanning time
15 C00497/1 Encoder filter time FreqIn12 C00496 Encoder evaluation method

Table of Contents

Other manuals for Lenze 8400

Related product manuals