EasyManua.ls Logo

Panasonic Micro-Imagechecker PV310 - Page 352

Panasonic Micro-Imagechecker PV310
363 pages
Print Icon
To Next Page IconTo Next Page
To Next Page IconTo Next Page
To Previous Page IconTo Previous Page
To Previous Page IconTo Previous Page
Loading...
344
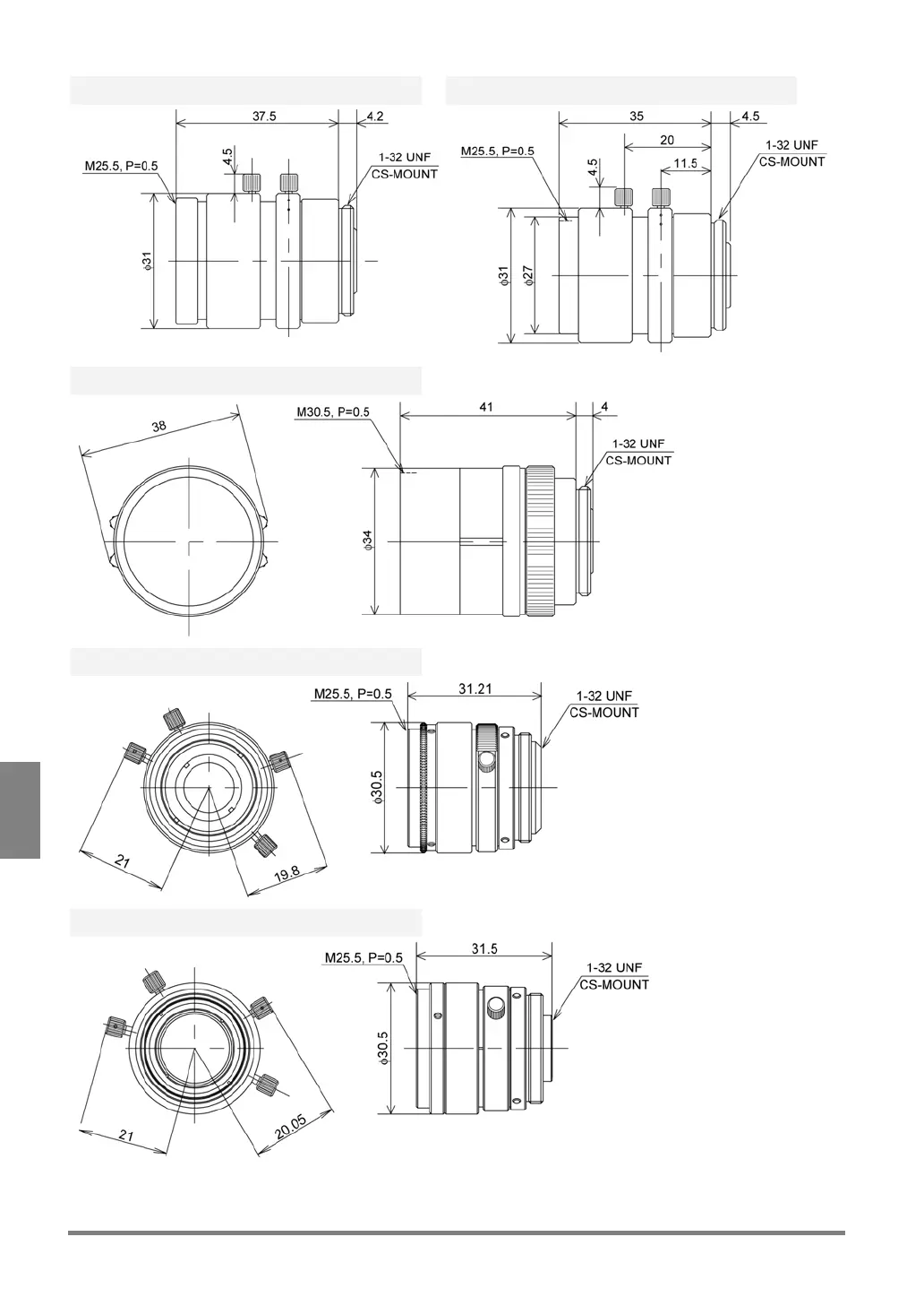
Dimensions
Cha
p
ter 19
ANM88281 ANM88081
ANM8804
ANM88161
ANM88251
Unit: mm

Table of Contents

Related product manuals