EasyManua.ls Logo

Ricoh A66 - Ipu Section Block Diagram

Ricoh A66
733 pages
Print Icon
To Next Page IconTo Next Page
To Next Page IconTo Next Page
To Previous Page IconTo Previous Page
To Previous Page IconTo Previous Page
Loading...
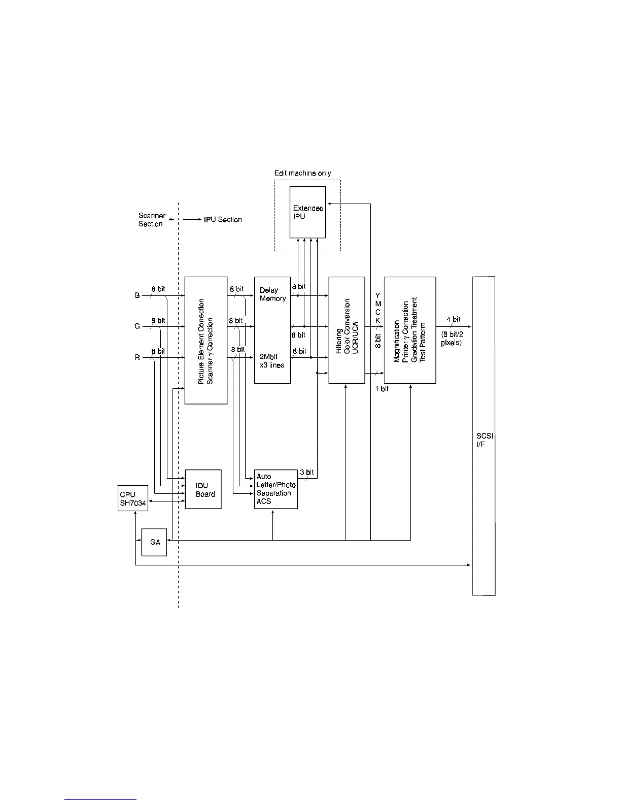
4.4 IPU SECTION BLOCK DIAGRAM
IMAGE PROCESSING
A166/A187/A189 2-44 SM

Table of Contents

Related product manuals