EasyManua.ls Logo

Ricoh A66 - Parts Layout; Mechanical Component Layout

Ricoh A66
733 pages
Print Icon
To Next Page IconTo Next Page
To Next Page IconTo Next Page
To Previous Page IconTo Previous Page
To Previous Page IconTo Previous Page
Loading...
4.
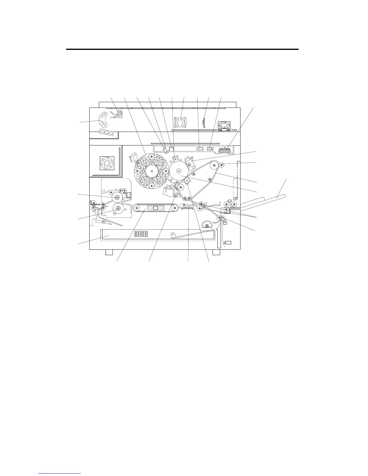
PARTS LAYOUT
4.1 MECHANICAL COMPONENT LAYOUT
5 6
4
3
2
1
26
25
24
23
22
21
20
19
18
17
16
15
14
1312
11
1098
7
1. Paper Tray (A166)
Duplex Tray
(A187/189)
2. Pressure Roller
3. Hot Roller
4. 2nd Scanner
5. 1st Scanner
6. Development Unit
7. Drum Mirror
8. Toner Shield Glass
9. Barrel Toroidal
Lens (BTL)
10. Charge Corona Unit
11. Lens
12. 2nd f
θ
Lens
13. CCD Board
14. 1st f
θ
Lens
15. Polygon Mirror
16. Drum Cleaning Unit
17. Lubricant Brush
18. By-pass Feed Table
19. Transfer Belt
20. OPC Drum
21. Registration Rollers
22. Relay Roller
23. Belt Transfer
Charge Unit
24. Paper Transfer
Charge Unit
25. Belt Cleaning Unit
26. Transport Belt
PARTS LAYOUT
A166/A187/A189 1-16 SM

Table of Contents

Related product manuals