EasyManua.ls Logo

Ricoh A66 - Drum Potential Sensor Calibration

Ricoh A66
733 pages
Print Icon
To Next Page IconTo Next Page
To Next Page IconTo Next Page
To Previous Page IconTo Previous Page
To Previous Page IconTo Previous Page
Loading...
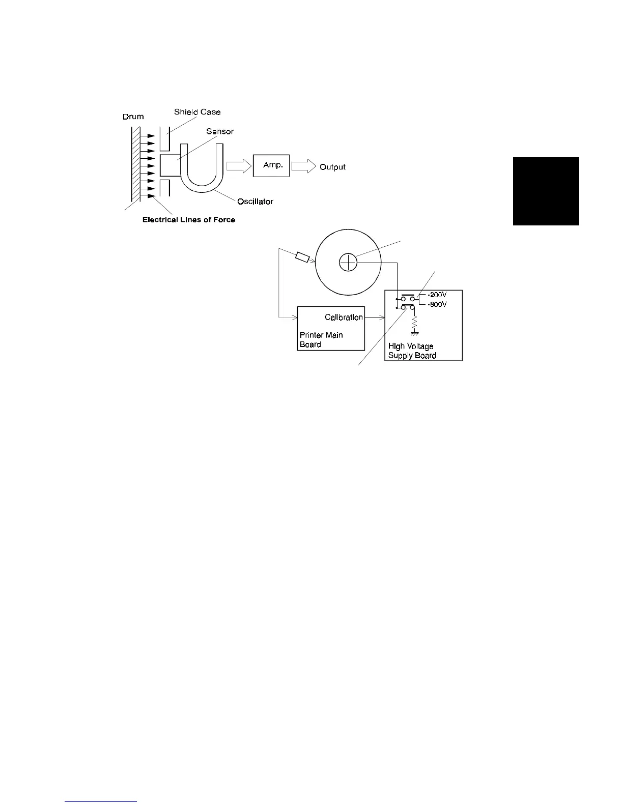
1.3.4 Drum Potential Sensor Calibration
The drum potential sensor [A] has a detector which detects the strength of
the electrical field from the electrical potential on the drum. Since the output
of the sensor is affected by environmental conditions, such as temperature
and humidity, the sensor needs to be calibrated. This is done during the
process control self check.
The high voltage supply board has two relay contacts. Usually, the relay
contact [B] grounds the drum. However, during the self check, the machine
switches the relay contact [C] to apply a voltage to the drum shaft [D]. In this
condition, the drum is isolated from the ground (floating).
The machine calibrates the sensor output by measuring the output of the
drum potential sensor when -200V and when -800V are applied to the drum.
(The relationship between potential sensor output and drum potential is
linear. So, as a result of determining the output at these two points, the
machine can determine the actual drum potential from the potential sensor
output.)
During the interval process control self check, this drum potential sensor
calibration is not performed. This is because just before the interval process
control self check, there is residual voltage on the drum and this affects the
output of the potential sensor.
[D]
[C]
[B]
[A]
Detailed
Section
Descriptions
PROCESS CONTROL
SM 2-7 A166/A187/A189

Table of Contents

Related product manuals