EasyManua.ls Logo

Agilent Technologies ENA Series - Characterizing Calibration Mixer (with if Filter) for Balance Mixer Measurement; How to Execute Characterization

Agilent Technologies ENA Series
769 pages
Print Icon
To Next Page IconTo Next Page
To Next Page IconTo Next Page
To Previous Page IconTo Previous Page
To Previous Page IconTo Previous Page
Loading...
230 Chapter 4
Calibration
Vector-Mixer Calibration
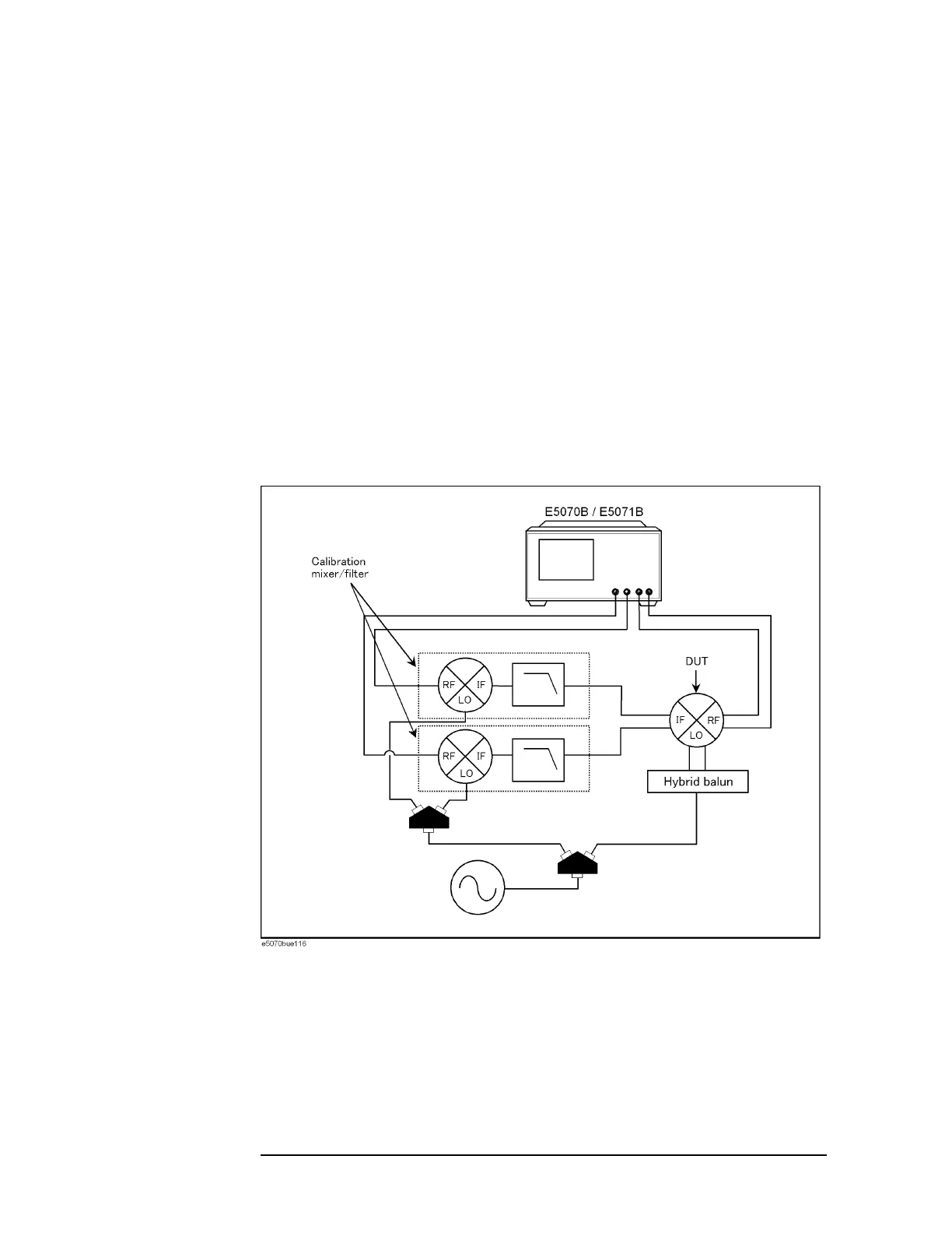
Characterizing calibration mixer (with IF filter) for balance mixer
measurement
The VBA macro (Vector Mixer Characterization) provided with the E5070B/E5071B
allows you to characterize the calibration mixer (with IF filter) to be used for the balanced
mixer measurement. The characterizing procedures of the calibration mixer with IF filter
used for balance mixer measurement are basically the same as those used for normal mixer
measurement; however, two characteristic data of the calibration mixer with IF filter are
required for balanced mixer measurement, as shown in
Figure 4-71.
Connect the target calibration mixer (with IF filter) to the port of the network analyzer on
which calibration has been performed and then connect the OPEN, SHORT and LOAD
standards to the end of the IF filter to start reflection measurement and characterization.
For a balanced mixers, the phase difference of the LO signals between the calibration
mixers with IF filter will remain as an error, since each calibration mixer with IF filter is
characterized independently. Therefore, you must calibrate the phase difference between
the two characterized calibration mixers with IF filters.
Figure 4-71 Characteristics evaluation of calibration mixer (with IF filter) for balance mixer
How to execute characterization
1. Characterizing Calibration Mixer (with IF filter)
Measure the characteristic data of each calibration mixer with the IF filter used for
balanced mixer measurement, using any two ports.

Table of Contents

Other manuals for Agilent Technologies ENA Series

Related product manuals