EasyManua.ls Logo

Agilent Technologies ENA Series - DUT Evaluation Using the E5070 B;E5071 Bs Fixture Simulator

Agilent Technologies ENA Series
769 pages
Print Icon
To Next Page IconTo Next Page
To Next Page IconTo Next Page
To Previous Page IconTo Previous Page
To Previous Page IconTo Previous Page
Loading...
308 Chapter 7
Fixture Simulator
Example of Using Fixture Simulator
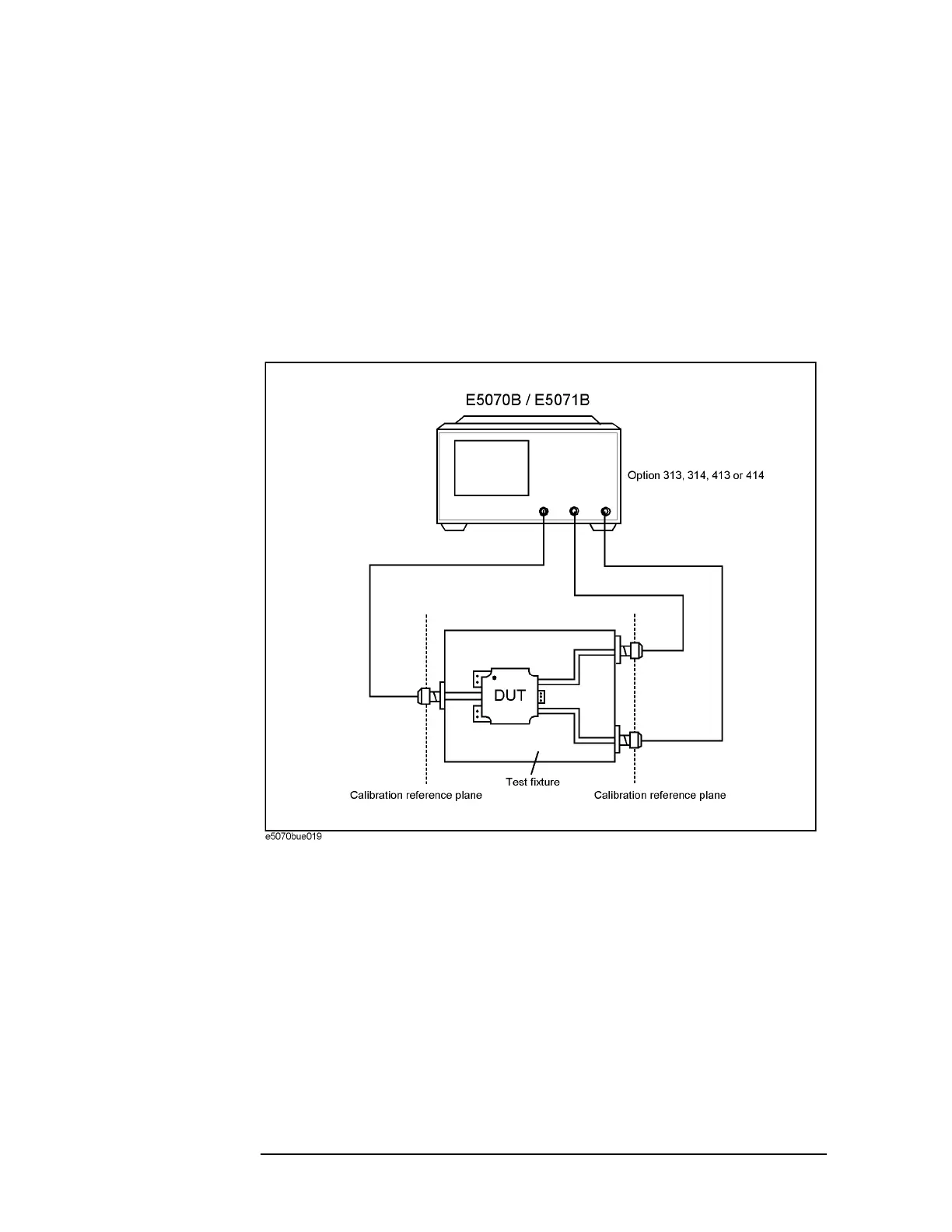
DUT evaluation using the E5070B/E5071B’s fixture simulator
The E5070B/E5071B’s fixture simulator function simulates a test fixture by using internal
software instead of using an actual test fixture for evaluating DUTs.
Figure 7-22 shows an example connection for evaluating a DUT with the
E5070B/E5071B’s fixture simulator function. The unbalanced port of the DUT should be
directly connected to a test port of the E5070B/E5071B, and the balanced port of the DUT
should be connected to two other test ports of the E5070B/E5071B. The actual
measurement by the E5070B/E5071B is performed at single-ended ports with a 50 Ω port
reference impedance.
Figure 7-22 DUT connection when fixture simulator is used
Figure 7-23 shows the measurement circuit simulated by the fixture simulator based on
actual measurement with the test fixture shown in Figure 7-22.

Table of Contents

Other manuals for Agilent Technologies ENA Series

Related product manuals