EasyManua.ls Logo

Agilent Technologies ENA Series - Operational Procedure (When Using Ecal Module)

Agilent Technologies ENA Series
769 pages
Print Icon
To Next Page IconTo Next Page
To Next Page IconTo Next Page
To Previous Page IconTo Previous Page
To Previous Page IconTo Previous Page
Loading...
238 Chapter 4
Calibration
Scalar-Mixer Calibration
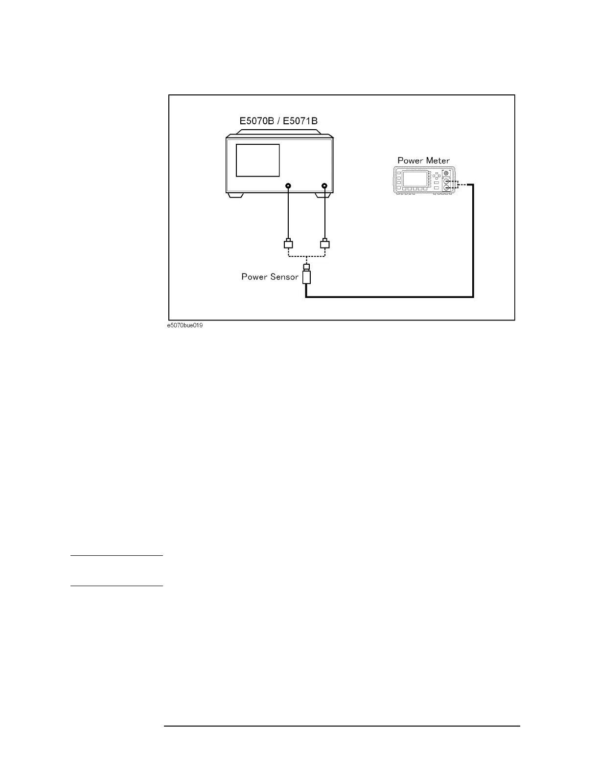
Figure 4-77 Connection of power sensor
Step 28. Press Port x@Freq x.
Step 29. Press Port x@Freq y.
Step 30. Press Port y@Freq x.
Step 31. Press Port y@Freq y.
Step 32. Press Return.
Step 33. Press Done to exit the scalar-mixer calibration. This step allows the calibration coefficient
to be calculated, turning on the error correction function automatically.
Operational procedure (when using ECal module)
To start calibration, refer to “Operational Procedure (when using mechanical calibration
kit)” on page 235; the steps up to Step 7 in that procedure are common to this procedure.
Step 1. Select a test port and then press Power Meter.
NOTE In scalar-mixer calibration, the power meter is used. For more information on how to set
the power meter, see “Preparing to control the power meter” on page 210.
Step 2. Press Use Sensor. Each time the key is pressed, Channels A and B switch over alternately.
If you are using a one-channel power meter, select Channel A.
Step 3. Connect the power sensor for the selected channel to the selected port, as shown in Figure
4-78.

Table of Contents

Other manuals for Agilent Technologies ENA Series

Related product manuals