EasyManua.ls Logo

Agilent Technologies ENA Series - Connecting DUT

Agilent Technologies ENA Series
769 pages
Print Icon
To Next Page IconTo Next Page
To Next Page IconTo Next Page
To Previous Page IconTo Previous Page
To Previous Page IconTo Previous Page
Loading...
526 Chapter 15
Measurement Examples
Evaluating Transmission Characteristics of a Front End Module
Step 5. Perform calibration for channels 2, 3, and 4 according to the same procedure as in Step 2 to
Step 4.
NOTE Because the test port assignment setting for channels 1 and 2 and that for channels 3 and 4
are the same, you need not change the ECal connection.
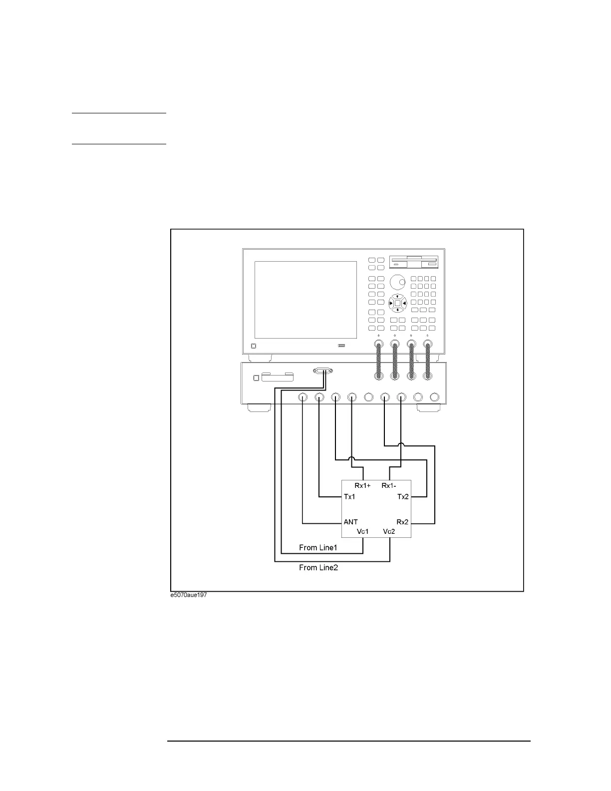
9. Connecting DUT
Connect the DUT as shown in Figure 15-37.
Figure 15-37 Connecting 6-port front end module

Table of Contents

Other manuals for Agilent Technologies ENA Series

Related product manuals