EasyManua.ls Logo

Agilent Technologies ENA Series - Determining the Characteristics that Result from Adding a Matching Circuit to a Differential Port

Agilent Technologies ENA Series
769 pages
Print Icon
To Next Page IconTo Next Page
To Next Page IconTo Next Page
To Previous Page IconTo Previous Page
To Previous Page IconTo Previous Page
Loading...
Chapter 7 303
Fixture Simulator
Determining the Characteristics that Result from Adding a Matching Circuit
to a Differential Port
7. Fixture Simulator
Determining the Characteristics that Result from Adding a
Matching Circuit to a Differential Port
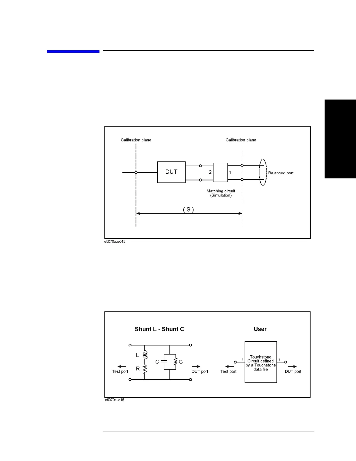
You can obtain the characteristics resulting from the pseudo addition of a balance matching
circuit to a balanced port created by balance-unbalance conversion. By using the matching
circuit function, you can obtain the characteristics resulting from the addition of an
arbitrary matching circuit for each test port (
Figure 7-18).
Figure 7-18 Balance matching circuit function
Define the matching circuit to be added by one of the following methods:
Use a predetermined circuit model and specify the values for the elements in the circuit
model.
Use a user file (in two-port Touchstone format) to define the matching circuit to be
added.
Figure 7-19 shows the circuit models used in defining a balance matching circuit.
Figure 7-19 Circuit models used to define balance matching circuit

Table of Contents

Other manuals for Agilent Technologies ENA Series

Related product manuals