EasyManua.ls Logo

Agilent Technologies ENA Series - Page 315

Agilent Technologies ENA Series
769 pages
Print Icon
To Next Page IconTo Next Page
To Next Page IconTo Next Page
To Previous Page IconTo Previous Page
To Previous Page IconTo Previous Page
Loading...
Chapter 7 309
Fixture Simulator
Example of Using Fixture Simulator
7. Fixture Simulator
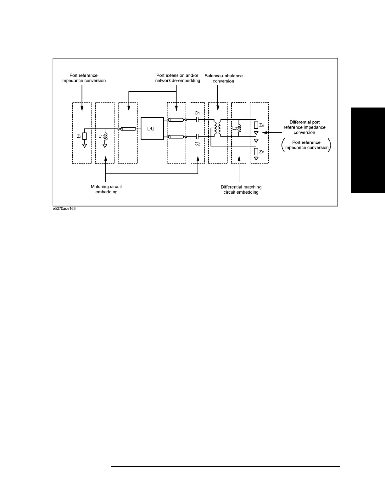
Figure 7-23 Measurement circuit simulated by fixture simulator
First, the effect of an undesired network can be eliminated by port extension and/or
network de-embedding. In
Figure 7-22, since calibration standards cannot be connected to
the DUT terminals to perform calibration, calibration should be performed at the
connectors to the test fixture. Using port extension and/or network de-embedding enables
you to remove an undesired network by using data processing and moving the calibration
reference plane to the DUT’s side equivalently. This function is performed for a
single-ended port even if balance-unbalance conversion is applied to the port.
Port reference impedance conversion converts measured S-parameters to those at arbitrary
port reference impedance. In
Figure 7-22, since the single-ended port of the DUT is
connected to the E5070B/E5071B’s test port (50 Ω, single-ended), port reference
impedance conversion is not required. This function is performed for a single-ended port
even if balance-unbalance conversion is applied to the port.
Matching circuit embedding converts measured S-parameters to those when a matching
circuit is added to the DUT’s terminal. This function is performed for a single-ended port
even if balance-unbalance conversion is applied to the port.
Balance-unbalance conversion converts S-parameters measured at an unbalanced state to
mixed-mode S-parameters measured at a balanced state. The balanced port signal can be
evaluated by using differential mode and common mode signals.
Differential matching circuit embedding converts measured S-parameters to those when a
matching circuit is added to the DUT’s differential mode port.(L2 in
Figure 7-23)
Differential port reference impedance conversion converts a differential port reference
impedance to an arbitrary impedance. Port reference impedance Z [Ω] at the two
single-ended ports before balance conversion is automatically converted to 2Z [Ω] for
differential mode port and Z/2 [Ω] for common mode port after balance conversion.
Accordingly, if port reference impedance conversion is not performed for the two
single-ended ports before balance conversion, differential mode port reference impedance
Zd becomes 50 Ω × 2 = 100 Ω, and common mode port reference impedance Zc becomes
50 Ω / 2 = 25 Ω. Since the differential port is terminated with 200 Ω in
Figure 7-20,
differential port reference impedance Zd should be set to 200 Ω.

Table of Contents

Other manuals for Agilent Technologies ENA Series

Related product manuals