EasyManua.ls Logo

Branson 2000Xc - Circuits; Figure 8.1 Interconnect Diagram, EDP 933-132-2023

Branson 2000Xc
315 pages
Print Icon
To Next Page IconTo Next Page
To Next Page IconTo Next Page
To Previous Page IconTo Previous Page
To Previous Page IconTo Previous Page
Loading...
100-412-234 REV. 06 203
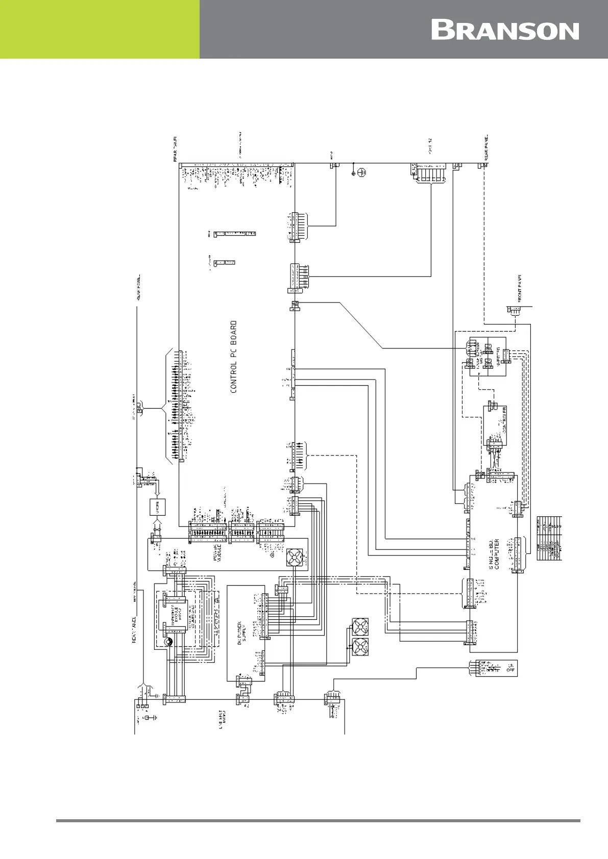
8.5 Circuits
Figure 8.1 Interconnect Diagram, EDP 933-132-2023

Table of Contents

Related product manuals