EasyManua.ls Logo

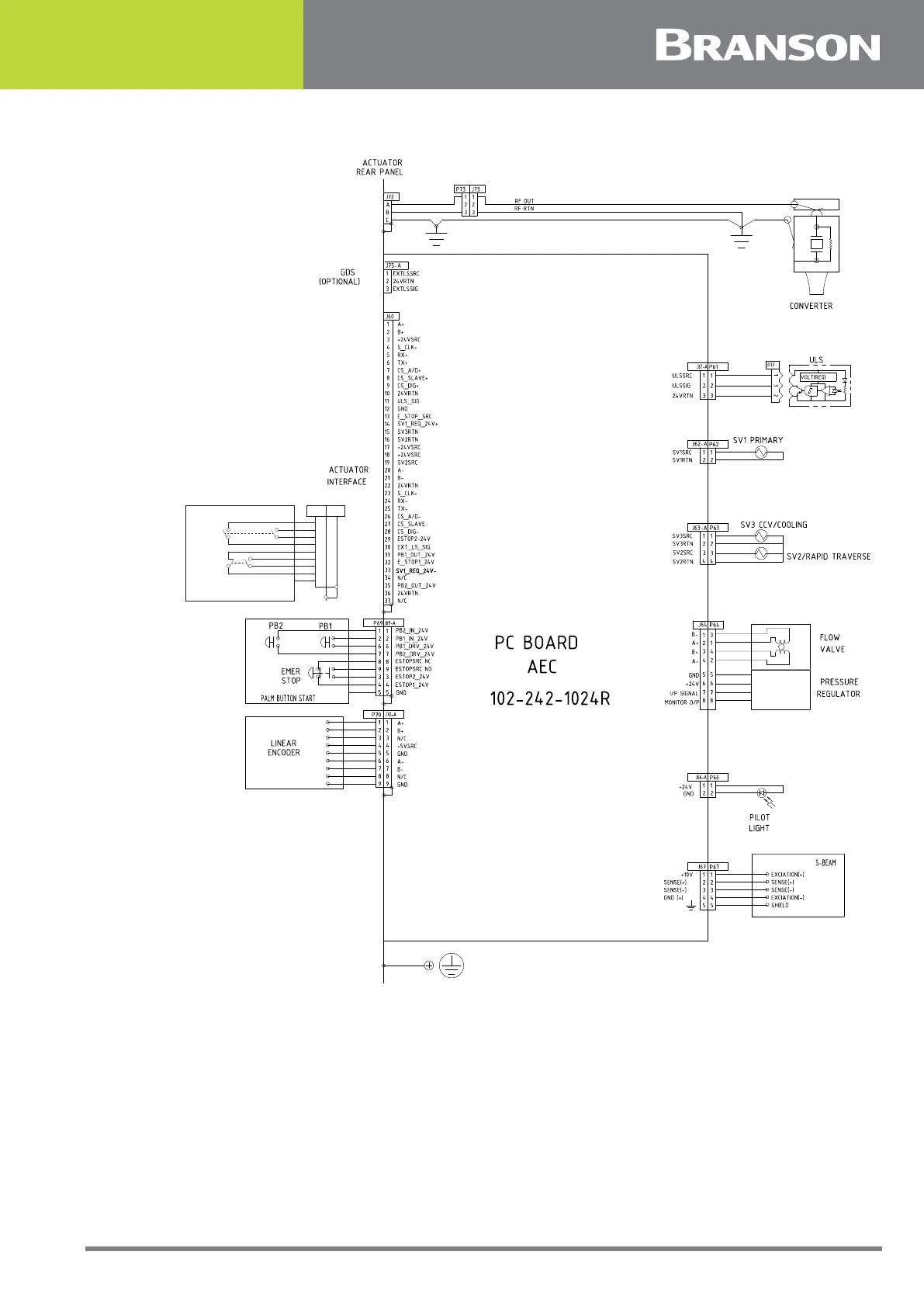
Branson 2000Xc - Figure 5.6 Block Wiring Diagram

Branson 2000Xc
315 pages
Print Icon
To Next Page IconTo Next Page
To Next Page IconTo Next Page
To Previous Page IconTo Previous Page
To Previous Page IconTo Previous Page
Loading...
100-412-234 REV. 06 67
Figure 5.6 Block Wiring Diagram
RC2 RC1
1
P69 P69-A
AUTOMATION START
EMER
STOP
2
6
7
9
8
3
4
5
1PB2RTN
PB1RTN
24VSRC
24VSRC
ESTOPSRC
ESTOPSRC
ESTOPRTN
ESTOPRTN
N/C
2
6
7
9
8
3
4
5

Table of Contents

Related product manuals