EasyManua.ls Logo

Ashida ADR233B - Page 433

Default Icon
479 pages
Print Icon
To Next Page IconTo Next Page
To Next Page IconTo Next Page
To Previous Page IconTo Previous Page
To Previous Page IconTo Previous Page
Loading...
ADR233B
Doc ID : ADR233B_IM_01
Ref ID : ADR233B/IM/FC
Rev No. : 05
Page No. : 433 of 479
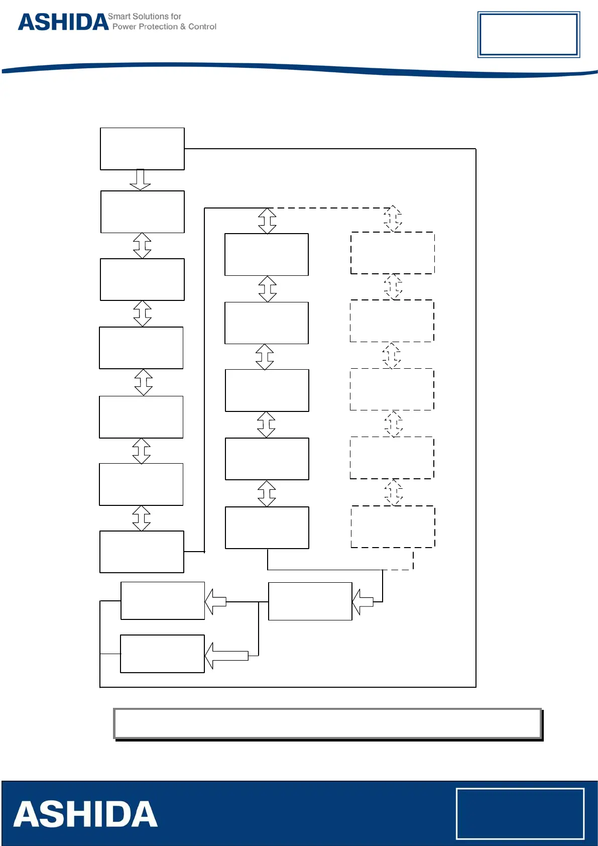
9.11.5.3 Ground OC ( IEEE / US Curve )
Ground OC
IE>1 Curve
IEEE M Inverse
Ground OC
IE>1
1.00 A
0.05 – 4.00 xIn
3 4
Ground OC
IE>1 Time Dial
0s
Range 0.01 – 100
3 4
Ground OC
IE>1 D/O Char
DT
Ground OC
t IE>1 D/O Delay
0.01 s
Range 0 – 100s
3 4
Ground OC
IE>1 D/O TMS
1.000
Range 0.025 – 1.2
3 4
Ground OC
IE>1 2H BLK
Enabled
3 4
Ground OC
IE>1 UB2H
4.0 A
4.0 – 32.0 xIn
Ground OC
IE>1 2H Thresh
5 %
Range 5 – 70 %
3 4
3 4
Ground OC
IE>1 D/O Char
IDMT
Ground OC
IE>1 2H BLK
Enabled
3 4
Ground OC
IE>1 UB2H
4.0 A
4.0 – 32.0 xIn
Ground OC
IE>1 2H Thresh
5 %
Range 5 – 70 %
3 4
3 4
3 4
3 4
SAVE Settings
DISCARD Settings
4
Press 3 Key
For Save
Press Target Reset
Key For Cancel
Target Reset
3
6 5
REF
Phase OC
Ground OC
4
Residual OC
6
PROTECTION
CLEAR RECORDS
OUTPUT & LED TEST
GROUP 1
4
Ground OC
Ground OC
4
6 5
Ground OC
IE>1 Enable
Enabled
6 5
Note: The Ground OC settings of IE>2 Enable and IE>3 Enable for all IEEE / US Curves is similar to
Ground OC setting of IE>1 Enable.

Table of Contents

Related product manuals