EasyManua.ls Logo

Bosch VLS 5140 - Page 101

Bosch VLS 5140
Print Icon
To Next Page IconTo Next Page
To Next Page IconTo Next Page
To Previous Page IconTo Previous Page
To Previous Page IconTo Previous Page
Loading...
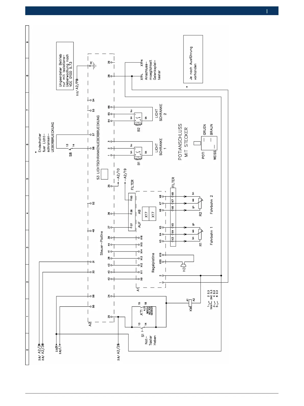
1 689 978 572 2014-06-06| Robert Bosch GmbH
Schémas électriques | VLS 5140 | 101 fr
Fig. 40: Schéma électrique 2b (avec lève-roues)

Table of Contents

Related product manuals