EasyManua.ls Logo

Bosch VLS 5140 - Kopplingsschema 2: Styrkretskort Och Reglerkretskort

Bosch VLS 5140
Print Icon
To Next Page IconTo Next Page
To Next Page IconTo Next Page
To Previous Page IconTo Previous Page
To Previous Page IconTo Previous Page
Loading...
1 689 978 572 2014-06-06| Robert Bosch GmbH
202 | VLS 5140 | Kopplingsschemansv
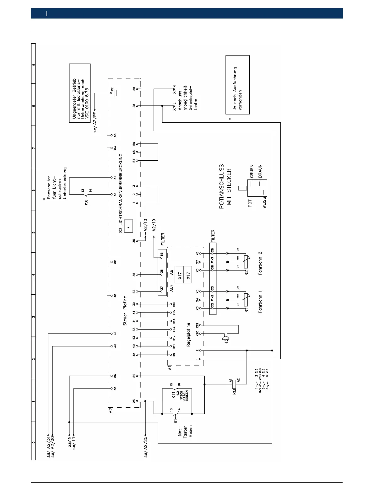
10.2 Kopplingsschema 2: Styrkretskort och reglerkretskort
Fig. 39: Kopplingsschema 2a (utan frihjulslyft)

Table of Contents

Related product manuals