EasyManua.ls Logo

Bosch VLS 5140 - Schéma Électrique 2: Platine de Commande Et Platine de Réglage

Bosch VLS 5140
Print Icon
To Next Page IconTo Next Page
To Next Page IconTo Next Page
To Previous Page IconTo Previous Page
To Previous Page IconTo Previous Page
Loading...
1 689 978 572 2014-06-06| Robert Bosch GmbH
100 | VLS 5140 | Schémas électriquesfr
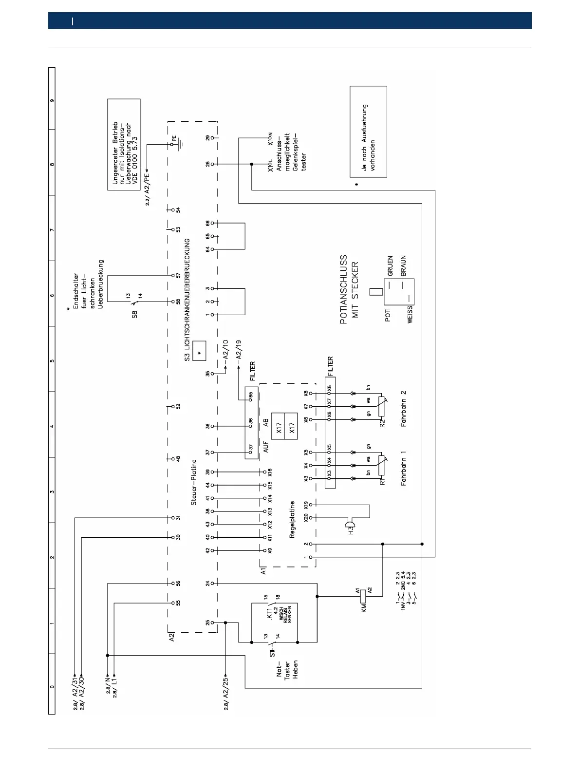
10.2 Schéma électrique 2: Platine de commande et platine de réglage
Fig. 39: Schéma électrique 2a (sans lève-roues)

Table of Contents

Related product manuals