EasyManua.ls Logo

Bosch VLS 5140 - Elektrik Devre Şeması 2: Kontrol Devre Kartı Ve Düzenleyici Devre Kartı

Bosch VLS 5140
Print Icon
To Next Page IconTo Next Page
To Next Page IconTo Next Page
To Previous Page IconTo Previous Page
To Previous Page IconTo Previous Page
Loading...
1 689 978 572 2014-06-06| Robert Bosch GmbH
Elektrik devre şemala | VLS 5140 | 363 tr
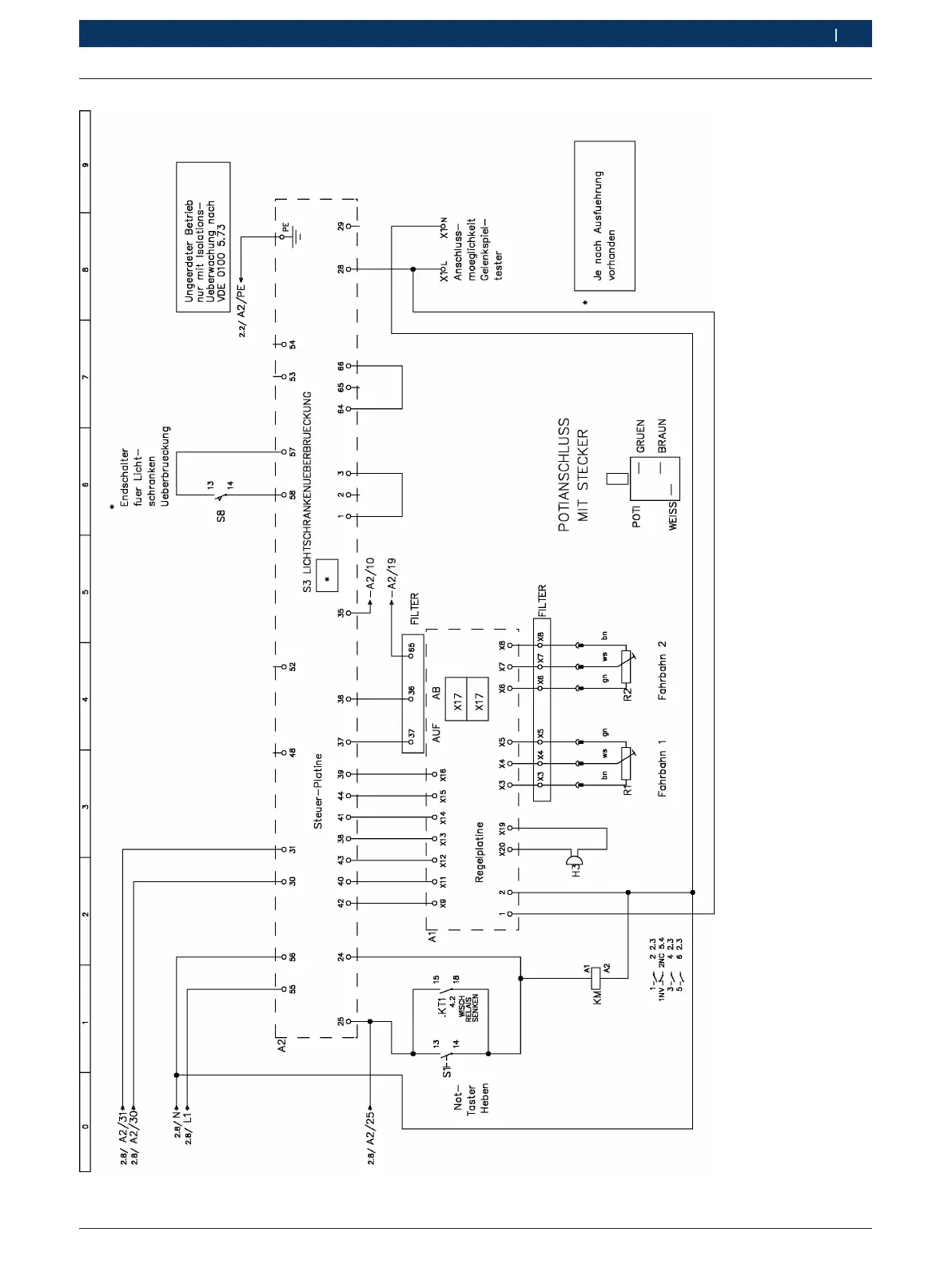
10.2 Elektrik devre şeması 2: Kontrol devre kartı ve düzenleyici devre kartı
Şek. 39: Elektrik devre şeması 2a (tekerlek krikosuz)

Table of Contents

Related product manuals