EasyManua.ls Logo

Bosch VLS 5140 - Stromlaufplan 2: Steuerplatine und Regelplatine

Bosch VLS 5140
Print Icon
To Next Page IconTo Next Page
To Next Page IconTo Next Page
To Previous Page IconTo Previous Page
To Previous Page IconTo Previous Page
Loading...
1 689 978 572 2014-06-06| Robert Bosch GmbH
32 | VLS 5140 | Stromlaufplänede
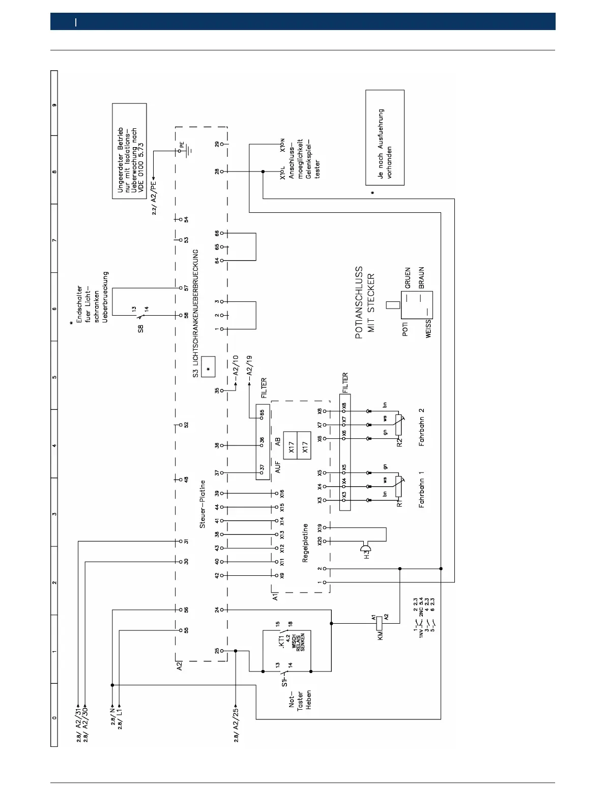
10.2 Stromlaufplan 2: Steuerplatine und Regelplatine
Fig. 39: Stromlaufplan 2a (ohne Radfreiheber)

Table of Contents

Related product manuals