EasyManua.ls Logo

Bosch VLS 5140 - 9 Instalacja Hydrauliczna; Podnośniki Bez Podnośnika Podwoziowego; Podnośniki Z Podnośnikiem Podwoziowym; Opuszczanie Awaryjne

Bosch VLS 5140
Print Icon
To Next Page IconTo Next Page
To Next Page IconTo Next Page
To Previous Page IconTo Previous Page
To Previous Page IconTo Previous Page
Loading...
1 689 978 572 2014-06-06| Robert Bosch GmbH
302 | VLS 5140 | Instalacja hydraulicznapl
9. Instalacja hydrauliczna
9.1 Podnośniki bez podnośnika
podwoziowego
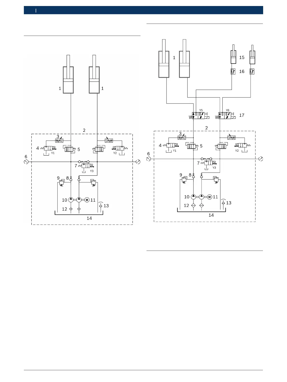
Rys. 36: Schemat hydrauliczny
1 siłownik hydrauliczny szyny jezdnej
2 agregat hydrauliczny (przyłącza G1/2")
3 dławik opuszczania
4 zawór obejściowy
(zawór gniazdowy 2/2-drogowy, 24 V AC, 20 l/min)
5 zawór regulacji strumienia (ustawiony na 6 l/min)
6 przyłącze do pomiaru ciśnienia (G1/4")
7 zawór opuszczania
(zawór gniazdowy 2/2-drogowy, 24 V AC, 20 l/min)
8 zawór przeciwzwrotny
9 zawór ograniczający ciśnienie (ustawiony na 360 barów)
10 pompa z podwójnym kołem zębatym (330 barów, 5 l/min)
11 silnik elektryczny (5,5 kW, 3000 obr./min)
12 filtr ssawny
13 pokrywa do napełniania i odpowietrzania
14 pojemnik z olejem (użytkowa pojemność pojemnika 12 l)
9.2 Podnośniki z podnośnikiem
podwoziowym
Rys. 37: Schemat hydrauliczny (z podnośnikiem podwoziowym)
15 siłownik hydrauliczny podnośnika podwoziowego
16 zawór dławiąco-przeciwzwrotny
17 zawór przełączający szyna jezdna/podnośnik podwoziowy
(zawór 3/2-drogowy)
9.3 Opuszczanie awaryjne
W przypadku awarii zasilania prądem podniesiony
pojazd można opuścić przy pomocy opuszczania
awaryjnego.
! Opuszczanie awaryjne może być przeprowadzane
wyłącznie przez przeszkolony w tym personel.
1. Wezwać drugą osobę do pomocy.
2. Zablokować zapadkę, aby nie mogła się zatrzasnąć
w zębatce podczas opuszczania.
3. Odkręcić blachę przednią jednostki obsługowej.
4. Upewnić się, że w obszarze działania podnośnika
nie przebywają osoby ani nie znajdują się żadne
przedmioty.
5. Wykręcić ostrożnie przycisk obrotowy w zaworze Y3.
Podnośnik opada.
6. Ponownie wkręcić przycisk obrotowy w zaworze Y3
po zakończeniu opuszczania.

Table of Contents

Related product manuals