EasyManua.ls Logo

Bosch VLS 5140 - Schéma Zapojení Č. 2: ŘíDICí a Regulační Deska

Bosch VLS 5140
Print Icon
To Next Page IconTo Next Page
To Next Page IconTo Next Page
To Previous Page IconTo Previous Page
To Previous Page IconTo Previous Page
Loading...
1 689 978 572 2014-06-06| Robert Bosch GmbH
Schémata zapojení | VLS 5140 | 329 cs
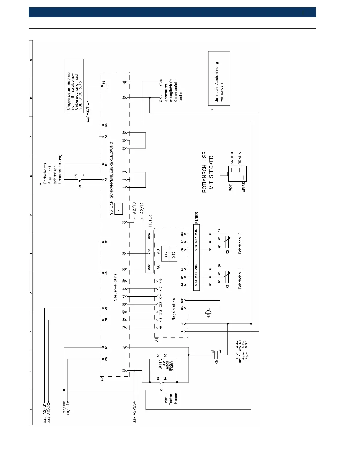
10.2 Schéma zapojení č. 2: Řídicí a regulační deska
Obr. 39: Schéma zapojení č. 2a (bez přízvedu)

Table of Contents

Related product manuals