EasyManua.ls Logo

Bosch VLS 5140 - Page 339

Bosch VLS 5140
Print Icon
To Next Page IconTo Next Page
To Next Page IconTo Next Page
To Previous Page IconTo Previous Page
To Previous Page IconTo Previous Page
Loading...
1 689 978 572 2014-06-06| Robert Bosch GmbH
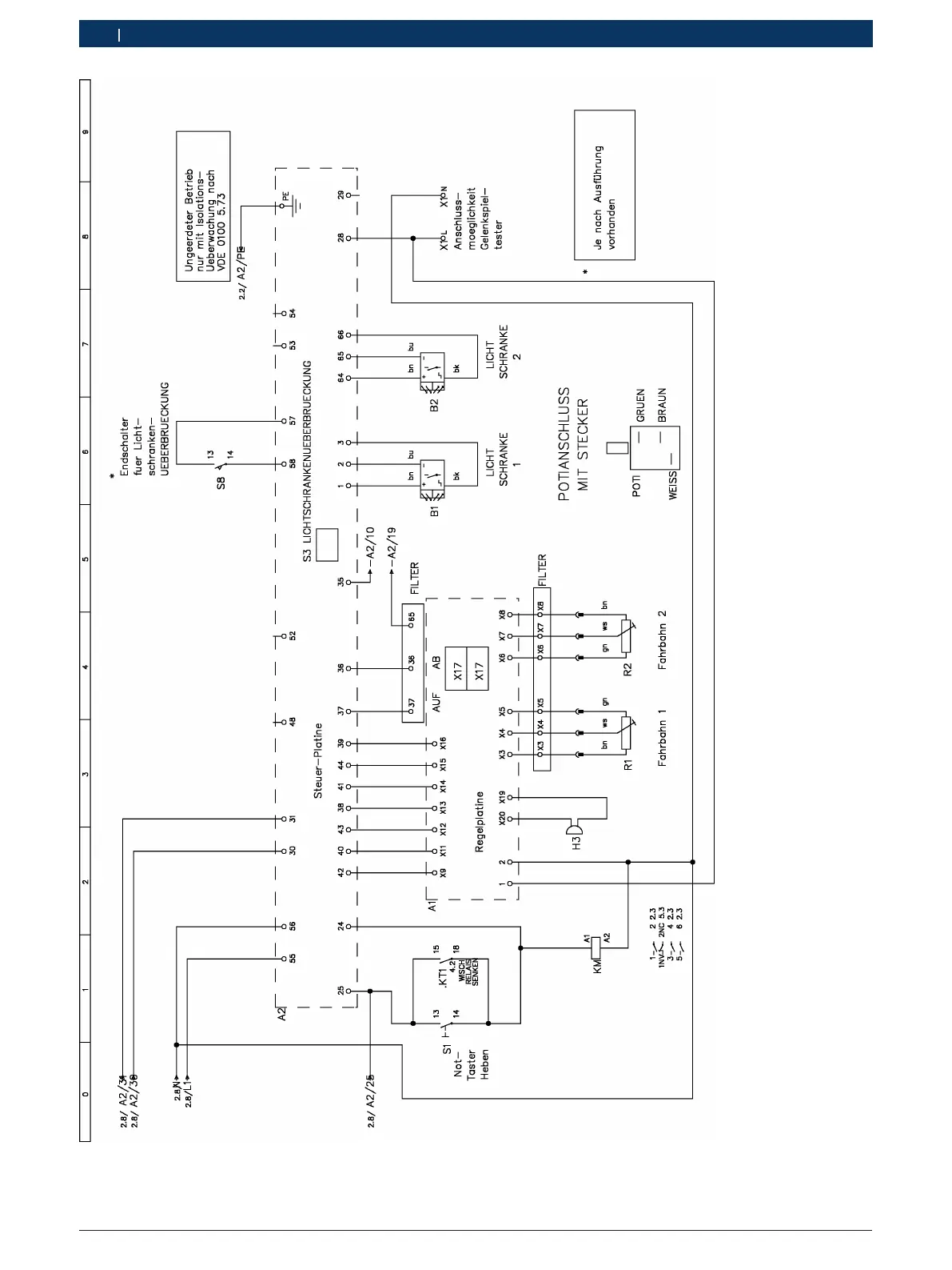
330 | VLS 5140 | Schémata zapojenícs
Obr. 40: Schéma zapojení č. 2b (s přízvedem)

Table of Contents

Related product manuals