EasyManua.ls Logo

Bosch VLS 5140 - Stroomschema 2: Besturingsprintplaat en Regelprintplaat

Bosch VLS 5140
Print Icon
To Next Page IconTo Next Page
To Next Page IconTo Next Page
To Previous Page IconTo Previous Page
To Previous Page IconTo Previous Page
Loading...
1 689 978 572 2014-06-06| Robert Bosch GmbH
236 | VLS 5140 | Stroomschema'snl
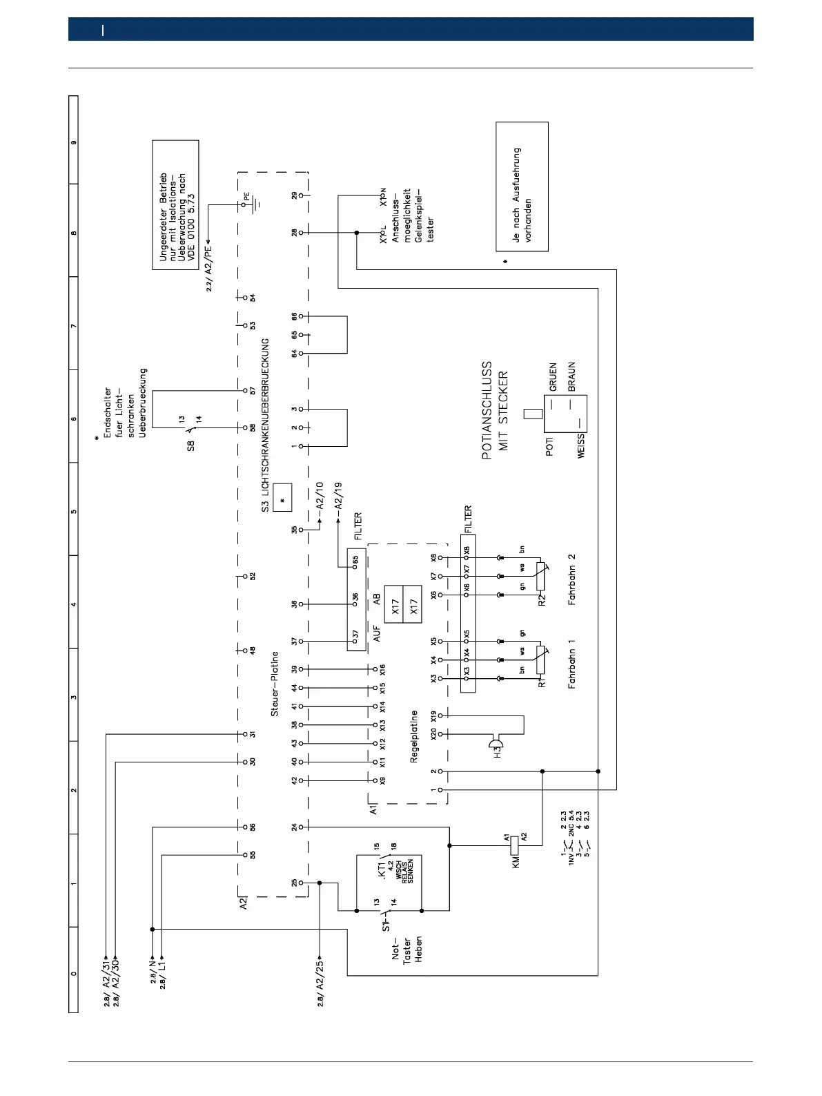
10.2 Stroomschema 2: Besturingsprintplaat en regelprintplaat
Fig. 39: Stroomschema 2a (zonder hefbrugkrik)

Table of Contents

Related product manuals