EasyManua.ls Logo

Bosch VLS 5140 - Anchoring the Lifting Platform

Bosch VLS 5140
Print Icon
To Next Page IconTo Next Page
To Next Page IconTo Next Page
To Previous Page IconTo Previous Page
To Previous Page IconTo Previous Page
Loading...
1 689 978 572 2014-06-06| Robert Bosch GmbH
Stroomschema's | VLS 5140 | 237 nl
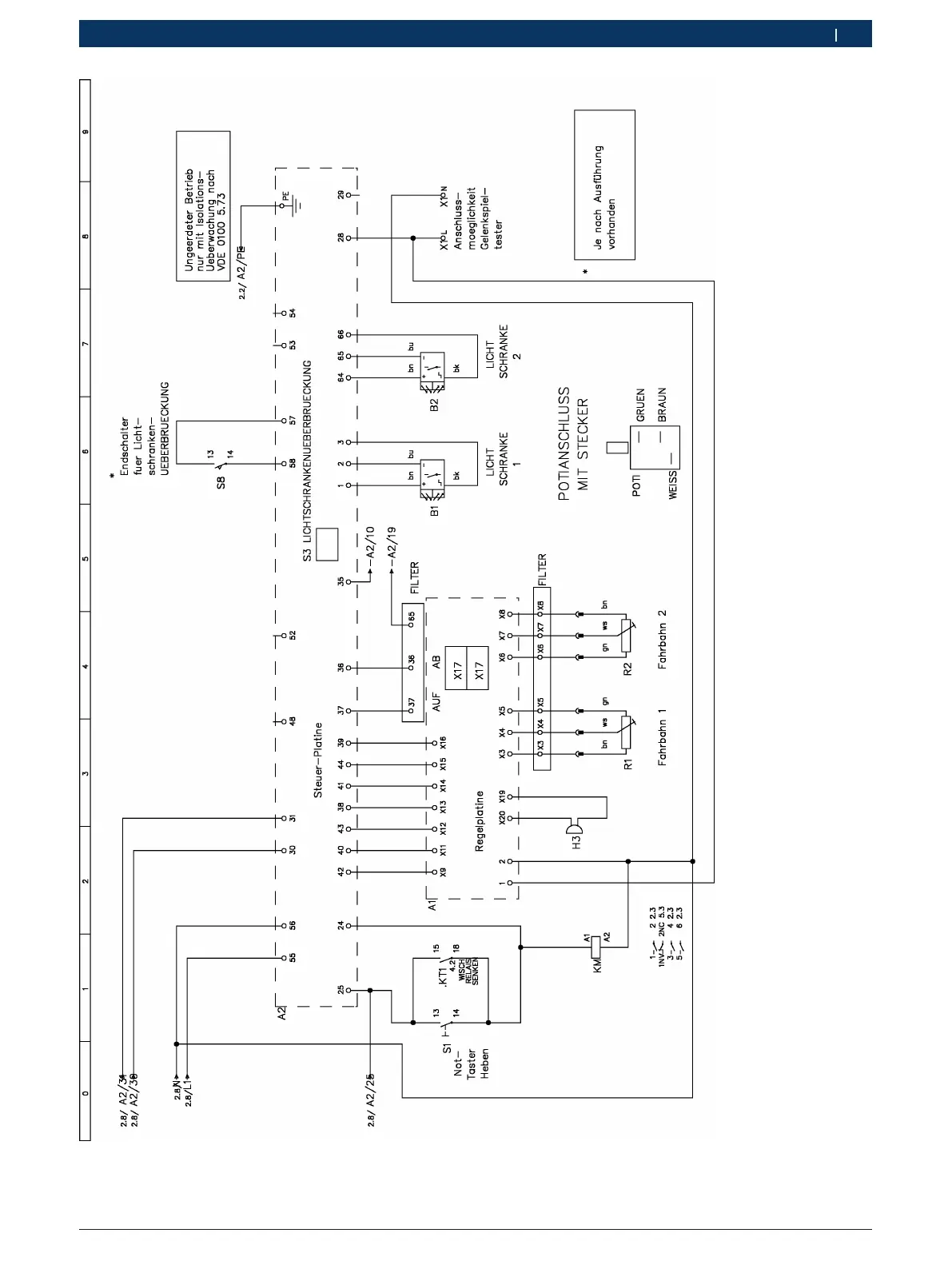
Fig. 40: Stroomschema 2b (met hefbrugkrik)

Table of Contents

Related product manuals