EasyManua.ls Logo

Bosch VLS 5140 - Circuit Diagram 2: Circuit Board and Control Board

Bosch VLS 5140
Print Icon
To Next Page IconTo Next Page
To Next Page IconTo Next Page
To Previous Page IconTo Previous Page
To Previous Page IconTo Previous Page
Loading...
1 689 978 572 2014-06-06| Robert Bosch GmbH
66 | VLS 5140 | Circuit Diagramsen
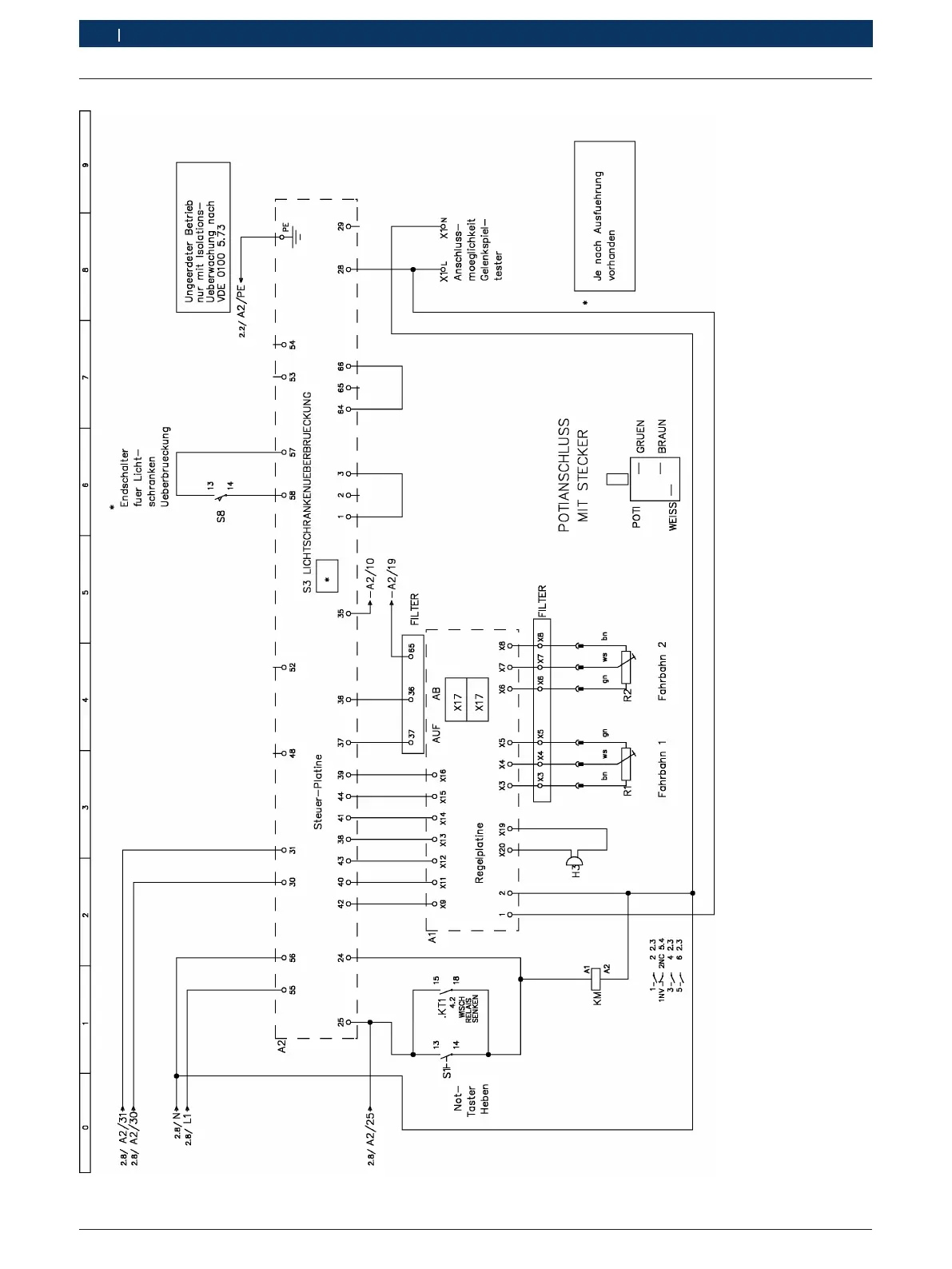
10.2 Circuit diagram 2: Circuit board and control board
Fig. 39: Circuit diagram 2a (without wheel-free scissor lift)

Table of Contents

Related product manuals